Technical Data
PIPES :-
| SIZE | 1/4" NB TO 24" NB IN Sch 40,60,80,120,160 & XXS. (Carbon steel) |
| Carbon Steel: Specifications |
ASTM A 53, A 106, A 179, API 5L/5LX, BSS, 3059, 182, 806, 3601, 3602, DIN 17175. 2448 etc. |
| Normal Size |
Outside Diameter |
Wall Thickness |
Class | Sched No. |
Plain End | ||||||||||
| NormalWeight | Test Pressure min. | ||||||||||||||
| Butt Welded | Grade A | Grade B | |||||||||||||
| in | in | mm | in | mm | 1b/ft | kg/ft. | kg/m | psi | kg/cm2 | psi | kg/cm2 | psi | kg/cm2 | ||
| 1/8 | .405 | 10.3 | .068 .095 |
1.7 2.4 |
std xs |
40 80 |
.24 .31 |
.11 .14 |
.36 .46 |
700 850 |
49.2 59.8 |
700 850 |
49.2 59.8 |
700 850 |
49.2 59.8 |
| 1/4 | .540 | 13.7 | .088 .119 |
2.2 3.0 |
std. xs |
40 80 |
.42 .54 |
.19 .24 |
.63 .80 |
700 850 |
49.2 59.8 |
700 850 |
49.2 59.8 |
700 850 |
49.2 59.8 |
| 3/8 | .675 | 17.1 | .091 .126 |
2.2 3.2 |
std. xs |
40 80 |
.57 .74 |
.26 .34 |
.85 1.10 |
700 850 |
49.2 59.8 |
700 850 |
49.2 59.8 |
700 850 |
49.2 59.8 |
| 1/2 | .840 | 21.3 | .109 .147 .294 |
2.8 3.7 7.5 |
std. xs xxs |
40 80 ....... |
.85 1.09 1.71 |
.39 .49 .78 |
1.26 1.62 2.54 |
700 850 1000 |
49.2 59.8 70.3 |
700 850 1000 |
49.2 59.8 70.3 |
700 850 1000 |
49.2 59.8 70.3 |
| 3/4 | 1.050 | 26.7 | .113 .154 .308 |
2.9 3.9 7.8 |
std. xs xxs |
40 80 ....... |
1.13 1.47 2.44 |
.51 .67 1.11 |
1.68 2.19 3.63 |
700 8850 1000 |
49.2 59.8 70.3 |
700 850 1000 |
49.2 59.8 70.3 |
700 850 1000 |
49.2 59.8 70.3 |
| 1 | 1.315 | 33.4 | ..133 .179 .358 |
3.4 4.5 9.1 |
std. xs xxs |
40 80 ....... |
1.68 2.17 3.66 |
.76 .98 1.66 |
2.50 3.23 5.45 |
700 850 1000 |
49.2 59.8 70.3 |
700 850 1000 |
49.2 59.8 70.3 |
700 850 1000 |
49.2 59.8 70.3 |
| 11/4 | 1.660 | 42.2 | 140 .191 .382 |
3.6 4.9 9.7 |
std. xs xxs |
40 80 ........ |
2.27 3.00 5.21 |
1.03 1.36 2.36 |
3.38 4.46 7.75 |
1000 1300 1400 |
70.3 91.4 98.4 |
1000 1500 1800 |
70.3 105.5 126.6 |
1100 1600 1900 |
77.3 112.5 133.6 |
| 11/2 | 1.990 | 48.3 | .145 .200 .400 |
3.7 5.1 10.2 |
std. xs xxs |
40 80 ....... |
2.72 3.36 6.41 |
1.23 1.65 2.91 |
4.05 5.40 9.54 |
1000 1300 1400 |
70.3 91.4 98.4 |
1000 1500 1800 |
70.3 105.5 126.6 |
1100 1600 1900 |
77.3 112.5 133.6 |
| 2 | 2.375 | 60.3 | .154 .218 .344 .436 |
3.9 5.5 8.7 11.1 |
std. xs ........ xxs |
40 80 160 ....... |
3.65 5.02 7.46 9.03 |
1.66 2.28 3.38 4.10 |
5.43 7.47 11.10 13.44 |
1000 1300 ...... 1400 |
70.3 91.4 ....... 98.4 |
2300 2500 2500 2500 |
161.7 175.8 175.8 175.8 |
2500 2500 2500 2500 |
175.8 175.8 175.8 175.8 |
| 21/2 | 2.875 | 73.0 | .203 .276 .375 .552 |
5.2 7.0 9.5 14.0 |
std xs ..... xxs |
40 80 160 ..... |
5.79 7.66 10.01 13.70 |
2.63 3.47 4.54 6.21 |
8.62 11.40 14.90 20.39 |
1000 1300 1400 1400 |
70.3 91.4 98.4 98.4 |
2500 2500 2500 2500 |
175.8 175.8 175.8 175.8 |
2500 2500 2500 2500 |
175.8 175.8 175.8 175.8 |
| 3 | 3500 | 88.9 | .188 .216 .300 .438 .600 |
4.8 5.5 7.6 11.1 15.2 |
..... std xs .... xxs |
...... 40 80 160 ...... |
6.63 7.58 10.25 14.31 18.58 |
3.01 3.44 4.65 6.49 8.43 |
9.87 11.28 15.25 21.30 27.65 |
1000 1000 1300 ...... ...... |
70.3 70.3 91.4 ...... ...... |
...... 2200 2500 2500 2500 |
.... 154.7 175.8 175.8 175.8 |
.... 2500 2500 2500 2500 |
..... 175.8 175.8 175.8 175.8 |
| 31/2 | 4000 | 101.6 | .188 .226 .318 |
4.8 5.7 8.1 |
.... std xs |
.... 40 .... |
7.63 9.11 12.51 |
3.46 4.13 5.67 |
11.35 13.56 18.62 |
1200 1200 1700 |
84.4 84.4 199.5 |
.... 2000 2800 |
.... 140.6 196.9 |
..... 2400 2800 |
..... 168.7 196.9 |
| 4 | 4.500 | 114.3 | .156 .188 .219 .237 .337 .438 .531 .674 |
4.0 4.8 5.6 6.0 8.6 11.1 13.5 17.1 |
..... ..... std. xs .... .... .... xxs |
.... .... .... 40 80 120 160 ..... |
7.25 8.64 10.00 10.79 14.98 18.98 22.52 27.54 |
3.29 3.92 4.54 4.89 6.79 8.61 10.21 12.49 |
10.79 12.86 14.88 16.06 22.29 28.25 33.51 40.98 |
1000 1200 1200 1200 1700 ..... ..... ..... |
70.3 84.4 84.4 84.4 119.5 ..... ..... ..... |
.... .... .... 1900 2700 2800 2800 2800 |
..... ..... ..... 133.6 189.8 196.9 196.9 196.9 |
.... .... .... 2200 2800 2800 2800 2800 |
.... .... .... 154.7 196.9 196.9 196.9 196.9 |
| 5 | 5.563 | 141.3 | .258 .375 .500 .625 .750 |
6.6 9.5 12.7 15.9 19.9 |
std xs ... .... xxs |
40 80 120 160 .... |
14.62 20.78 27.04 32.96 38.55 |
6.63 9.43 12.27 14.95 17.49 |
21.76 30.92 40.24 49.95 57.37 |
..... ..... ..... ..... ..... |
..... ..... ..... ..... ..... |
1700 2400 2800 2800 2800 |
119.5 168.7 196.9 196.9 196.9 |
1900 2800 2800 2800 2800 |
133.6 196.9 196.9 196.9 196.9 |
| 6 | 6.625 | 168.3 | .280 .432 .562 .719 .864 |
7.1 11.0 14.3 18.3 21.9 |
std xs .... .... xxs |
40 80 120 160 ..... |
18.97 28.57 36.42 45.34 53.16 |
8.60 12.96 16.52 20.57 24.11 |
28.23 42.52 54.20 67.47 79.11 |
..... ..... ..... ..... ..... |
..... ..... ..... ..... ..... |
1500 2300 2800 2800 2800 |
105.5 161.7 196.9 196.9 196.9 |
1800 2700 2800 2800 2800 |
126.6 189.8 196.9 196.9 196.9 |
| 8 | 8.625 | 219.1 | .250 .277 .322 .406 .500 .594 .719 .812 .875 .906 |
6.4 7.0 8.2 10.3 12.7 15.1 18.3 20.6 22.2 23.0 |
... ... std ... xs ... ... ... xxs ... |
20 30 40 60 80 100 120 140 .... 160 |
22.36 24.70 28.55 35.66 43.39 50.93 60.69 67.79 72.42 74.71 |
10.14 11.20 12.95 16.18 19.68 23.10 27.53 30.75 32.85 33.89 |
33.28 36.76 42.49 53.07 64.57 75.79 90.32 100.88 107.77 111.18 |
.... ..... ..... ..... ..... ..... ..... ..... ..... ..... |
.... ..... ..... ..... ..... ..... ..... ..... ..... ..... |
1000 1200 1300 1700 2100 2600 2800 2800 2800 2800 |
70.3 84.4 91.4 119.5 147.7 175.8 196.9 196.9 196.9 196.9 |
1200 1300 1600 2000 2400 2800 2800 2800 2800 2800 |
84.4 91.4 112.5 140.6 168.7 196.9 196.9 196.9 196.9 196.9 |
| 10 | 10.750 | 273.0 | .250 .379 .307 .365 500 .594 .719 .844 1000 1125 |
6.4 7.1 7.8 9.3 12.7 15.1 18.3 21.4 25.4 28.6 |
.... .... std ... xs .... .... .... xxs .... |
20 30 40 60 80 100 120 140 .... 160 |
28.04 31.20 34.24 40.48 54.74 64.46 77.00 89.27 104.13 115.05 |
12.72 14.15 15.53 18.36 24.83 29.21 34.83 40.49 47.23 52.46 |
41.73 46.43 50.95 60.24 81.46 95.84 114.59 132.85 154.96 172.11 |
..... ..... ..... ..... ..... ..... ..... ..... ..... ..... |
..... ..... .... ..... ..... ..... ..... ..... ..... ..... |
850 950 1000 1200 1700 2000 2400 2800 2800 2800 |
59.8 66.8 70.3 84.4 119.5 140.6 168.7 196.9 196.9 196.9 |
1000 1100 1200 1400 2000 2300 2800 2800 2800 2800 |
70.3 77.3 84.4 98.4 140.6 161.7 196.9 196.9 196.9 196.9 |
| 12 | 12.750 | 323.8 | .250 .330 .375 .406 .500 .562 .688 .844 1000 1125 1312 |
6.4 8.4 9.5 10.3 12.7 14.3 17.5 21.4 25.4 28.6 33.3 |
.... .... std ... xs .... .... .... xxs .... .... |
20 30 ... 40 .... 60 80 100 120 140 160 |
33.38 43.77 49.56 53.56 65.42 73.22 88.57 107.29 125.49 139.68 160.33 |
15.14 19.85 22.48 24.29 29.67 33.21 40.17 48.67 56.92 63.36 72.72 |
49.67 15.14 73.75 79.71 97.36 108.96 131.81 159.66 186.75 207.87 238.60 |
.... .... .... .... .... .... .... .... .... .... .... |
.... .... .... .... .... .... .... .... .... .... .... |
700 950 1100 1100 1400 1600 1900 2400 2800 2800 2800 |
49.2 66.8 77.3 77.3 98.4 112.5 133.6 168.7 196.9 196.9 196.9 |
800 1100 1200 1300 1600 1900 2300 2800 2800 2800 2800 |
56.2 77.3 84.4 91.4 112.5 133.6 161.7 196.9 196.9 196.9 196.9 |
| 14 | 14000 | 355.6 | .250 .312 .375 .438 .500 .594 .750 .938 1.094 1.250 1.406 |
6.4 7.9 9.5 11.1 12.7 15.1 19.0 23.8 27.8 21.8 35.7 |
.... .... std .... xs .... .... .... .... .... .... |
10 20 30 40 ... 60 80 100 120 140 160 |
36.71 45.68 54.57 63.37 72.09 85.01 106.13 130.79 150.76 170.22 189.15 |
16.65 20.72 24.75 28.74 32.70 38.56 48.14 59.33 68.38 77.21 85.80 |
54.63 67.98 81.21 94.30 107.28 126.51 157.94 194.64 224.36 253.31 281.49 |
.... .... .... .... .... .... .... .... .... .... .... |
.... .... .... .... .... .... .... .... .... .... .... |
650 800 950 1100 1300 1500 1900 2400 2800 2800 2800 |
45.7 56.2 66.8 77.3 91.4 105.5 133.6 168.7 196.9 196.9 196.9 |
750 950 1100 1300 1300 1500 2800 2800 2800 2800 2800 |
52.7 66.8 77.3 91.4 105.5 126.6 161.7 196.9 196.9 196.9 196.9 |
| 16 | 16000 | 406.4 | .250 .312 .375 .500 .656 .844 1.031 1.219 1.438 1.594 |
6.4 7.9 9.5 12.7 16.7 21.4 26.2 31.0 36.5 40.5 |
.... .... std xs .... .... .... .... .... .... |
10 20 30 40 60 80 100 120 140 160 |
42.05 52.36 62.58 82.77 107.54 136.58 164.86 192.40 223.57 245.22 |
19.07 23.75 28.39 37.54 48.78 61.95 74.78 82.27 101.41 111.23 |
62.58 77.92 93.13 123.18 160.04 203.25 245.34 286.32 332.71 364.93 |
.... .... .... .... .... .... .... .... .... .... |
.... .... .... .... .... .... .... .... .... .... |
550 700 850 1100 1500 1900 2300 2700 2800 2800 |
38.7 49.2 59.8 77.3 105.5 133.6 161.7 189.8 196.9 196.9 |
650 800 1000 1300 1700 2200 2700 2800 2800 2800 |
45.7 56.2 70.3 91.4 119.5 154.7 189.8 196.9 196.9 196.9 |
| 18 | 18.000 | 457.2 | .250 .312 .275 .438 .500 .562 .750 .938 1.156 1.375 1.562 1.781 |
6.4 7.9 9.5 11.1 12.7 14.3 19.0 23.8 29.4 34.9 39.7 45.2 |
.... .... std .... xs .... .... .... .... .... .... ..... |
10 20 .... 30 .... 40 60 80 100 120 140 160 |
47.39 59.03 70.59 82.06 93.45 104.76 138.17 170.84 208.00 244.14 274.30 308.55 |
21.50 26.28 32.02 37.22 42.39 47.52 62.67 77.49 94.35 110.74 124.42 139.96 |
70.53 87.85 105.05 122.12 139.07 155.90 205.62 254.24 309.54 363.32 408.20 459.17 |
...... ..... ..... ..... ..... ..... ..... ..... ..... ..... ..... ..... |
...... ..... ..... ..... ..... ..... ..... ..... ..... ..... ..... ..... |
500 600 750 900 1000 1100 1500 1900 2300 2800 2800 2800 |
35.2 42.2 52.7 63.3 70.3 77.3 105.5 133.6 161.7 196.9 196.9 196.9 |
600 750 900 1000 1200 1300 1800 2200 2700 2800 2800 2800 |
42.2 52.7 63.3 70.3 84.4 91.4 126.6 154.7 189.8 196.9 196.9 196.9 |
| 20 | 20.000 | 508.0 | .250 .375 .500 .594 .812 1031 1281 1500 1750 1969 |
6.4 9.5 12.7 15.1 20.6 26.2 32.5 38.1 44.4 50.0 |
...... std xs. ..... ..... ..... ..... ..... ..... ..... |
10 20 30 40 60 80 100 120 140 160 |
52.73 18.60 104.13 123.06 166.50 208.92 256.15 296.37 341.10 379.14 |
23.92 35.65 47.23 55.82 75.52 94.76 116.19 134.43 154.72 171.98 |
78.47 116.97 154.97 183.13 247.78 310.91 381.19 441.05 507.61 564.22 |
...... ..... ..... ..... ..... ..... ..... ..... ..... ..... |
...... ..... ..... ..... ..... ..... ..... ..... ..... ..... |
450 700 900 1100 1500 1900 2300 2700 2800 2800 |
31.6 49.2 63.3 77.3 105.5 133.6 161.7 189.8 196.9 196.9 |
500 800 1000 1200 1700 2200 2700 2800 2800 2800 |
35.2 56.2 70.3 84.4 119.5 154.7 189.8 196.9 196.9 196.9 |
| 24 | 24.000 | 609.6 | .250 .375 .500 562 .688 .938 .969 1.219 1.531 1.812 2.062 2.344 |
6.4 9.5 12.7 14.3 17.5 23.8 24.6 31.0 38.9 46.0 52.4 59.5 |
...... std xs. ..... ..... ..... ..... ..... ..... ..... ..... ..... |
10 20 .... 30 40 ... 60 90 100 120 140 160 |
63.41 94.62 125.49 140.80 171.17 230.92 238.29 296.53 367.45 429.50 483.24 542.09 |
28.76 42.92 56.92 63.87 77.64 104.74 108.09 134.50 166.67 194.82 219.19 245.89 |
94.36 140.81 186.75 209.53 254.73 343.65 354.61 441.28 546.82 639.16 719.14 806.72 |
...... ..... ..... ..... ..... ..... ..... ..... ..... ..... ..... ..... |
...... ..... ..... ..... ..... ..... ..... ..... ..... ..... ..... ..... |
400 550 750 850 1000 ..... 1500 1800 2300 2700 2800 2800 |
28.1 38.7 52.7 59.8 70.3 ..... 105.5 126.6 161.7 189.8 196.9 196.9 |
450 650 900 1000 1200 ...... 1700 2100 2700 2800 2800 2800 |
31.6 45.7 63.3 70.3 84.4 ...... 119.5 147.7 189.8 196.9 196.9 196.9 |
| E.R.W. Pipe
|
| To IS 1239 (Part I) 1979 : BS 1387 : 1967 |
| MILD STEEL BLACK AND GALVANISED PIPES. P.E./S. ENDS. | |
| SIZE | 1/4" NB to 6" NB in LIGHT, MEDIUM & HEAVY DUTY |
| MFGS | ITC (TATA), ZENITH, JINDAL, PRAKASH, GUJARAT etc. |
| Specifications | ISS 1239, 1161, BSS 1387, ASTM A-120 API 5L |
| IS : 1239 Part I |
| Nominal Bore | Outside Diameter | Thickness | Plain End | |||||||
| max. | min. | |||||||||
| in | in | mm | in | mm | in | mm | 1b/ft. | Kg/ft. | Kg/m | |
| Light | 1/8 | .396 | 10.1 | .387 | 9.7 | .072 | 1.8 | .243 | .110 | .361 |
| 1/4 | .532 | 13.6 | .518 | 13.2 | .072 | 1.8 | .347 | .157 | .517 | |
| 3/8 | .671 | 17.1 | .656 | 16.7 | .072 | 1.8 | .453 | .205 | .674 | |
| 1/2 | .841 | 21.4 | .825 | 21.0 | .080 | 2.0 | .640 | .290 | .952 | |
| 3/4 | 1.059 | 26.9 | 1.041 | 26.4 | .092 | 2.35 | .944 | .428 | 1.41 | |
| 1 | 1.328 | 33.8 | 1.309 | 32.2 | .104 | 2.65 | 1.35 | .612 | 2.01 | |
| 1-1/4 | 1.670 | 42.5 | 1.650 | 41.9 | .104 | 2.65 | 1.73 | .785 | 1.58 | |
| 1-1/2 | 1.903 | 48.4 | 1.882 | 47.8 | .116 | 2.9 | 2.19 | .993 | 3.25 | |
| 2 | 2.370 | 60.2 | 2.347 | 59.6 | .116 | 2.9 | 2.76 | 1.25 | 4.11 | |
| 2-1/2 | 2.991 | 76.0 | 2.960 | 75.2 | .128 | 3.25 | 3.90 | 1.77 | 5.80 | |
| 3 | 3.491 | 88.7 | 3.460 | 87.9 | .128 | 3.25 | 4.58 | 2.08 | 6.81 | |
| 4 | 4.481 | 113.9 | 4.450 | 113.0 | .144 | 3.65 | 6.64 | 3.01 | 9.89 | |
| Medium | 1/8 | .411 | 10.4 | .386 | 9.8 | .080 | 2.0 | .273 | .124 | .407 |
| 1/4 | .547 | 13.9 | .522 | 13.3 | .092 | 2.35 | .437 | .198 | .650 | |
| 3/8 | .685 | 17.4 | .660 | 16.8 | .092 | 2.35 | .573 | .260 | .852 | |
| 1/2 | .856 | 21.7 | .831 | 21.1 | .104 | 2.65 | .822 | .373 | 1.22 | |
| 3/4 | 1.072 | 27.2 | 1.047 | 26.6 | .104 | 2.65 | 1.6 | .481 | 1.58 | |
| 1 | 1.346 | 34.2 | 1.316 | 33.4 | .128 | 3.25 | 1.64 | .744 | 2.44 | |
| 1-1/4 | 1.687 | 42.9 | 1.657 | 42.1 | .128 | 3.25 | 1.64 | .744 | 2.44 | |
| 1-1/2 | 1.919 | 48.8 | 1.889 | 48.0 | .128 | 3.25 | 2.11 | .957 | 3.14 | |
| 2 | 2.394 | 60.8 | 2.354 | 59.8 | .144 | 3.65 | 3.42 | 1.55 | 5.10 | |
| 2-1/2 | 3.014 | 76.6 | 2.969 | 75.4 | .144 | 3.65 | 4.38 | 1.99 | 6.51 | |
| 3 | 3.524 | 89.5 | 3.469 | 88.1 | .160 | 4.05 | 5.69 | 2.58 | 8.47 | |
| 4 | 4.524 | 114.9 | 4.459 | 113.3 | .176 | 4.5 | 8.14 | 3.69 | 12.1 | |
| 5 | 5.534 | 140.6 | 5.459 | 138.7 | .192 | 4.85 | 10.9 | 4.94 | 16.2 | |
| 6 | 6.539 | 166.1 | 6.459 | 164.1 | .192 | 4.85 | 12.9 | 5.85 | 19.2 | |
| Heavy | 1/8 | .411 | 10.4 | .386 | 9.8 | .104 | 2.65 | .331 | .150 | .493 |
| 1/4 | .547 | 13.9 | .522 | 13.3 | .116 | 2.9 | .512 | .235 | .769 | |
| 3/8 | .685 | 17.4 | .660 | 16.8 | .116 | 2.9 | .686 | .311 | 1.02 | |
| 1/2 | .856 | 21.7 | .831 | 21.1 | .128 | 3.25 | .977 | .443 | 1.45 | |
| 3/4 | 1.072 | 27.2 | 1.047 | 26.6 | .128 | 3.25 | .977 | .443 | 1.45 | |
| 1 | 1.346 | 34.2 | 1.316 | 33.4 | .160 | 4.05 | 2.00 | .907 | 2.97 | |
| 1-1/4 | 1.687 | 42.9 | 1.657 | 42.1 | .160 | 4.05 | 2.00 | .907 | 2.97 | |
| 1-1/2 | 2.394 | 60.8 | 2.354 | 59.8 | .176 | 4.5 | 4.14 | 1.89 | 6.17 | |
| 2 | 2.394 | 60.8 | 2.354 | 59.8 | .176 | 4.5 | 4.14 | 1.89 | 6.17 | |
| 2-1/2 | 3.014 | 76.6 | 2.969 | 75.4 | .176 | 4.5 | 5.31 | 2.41 | 7.90 | |
| 3 | 3.524 | 89.5 | 3.469 | 88.1 | .192 | 4.85 | 6.76 | 3.07 | 10.1 | |
| 4 | 4.524 | 114.9 | 4.459 | 113.3 | .212 | 5.4 | 9.71 | 4.40 | 14.4 | |
| 5 | 5.534 | 140.6 | 5.459 | 138.7 | .212 | 5.4 | 12.0 | 5.44 | 17.8 | |
| 6 | 6.539 | 166.1 | 6.459 | 164.1 | .212 | 5.4 | 14.3 | 6.49 | 21.2 | |
| S. A. W. Pipe |
| Product Range | Specifications |
| Dia. - 14"-80". Wall thk. : 6 to 25.4 mm. Length - Single random. |
API 5L Gr. A&B API 5Lx UPTO Gr. 70. ASTM : A 252 Grades 1,2 & 3. ASTM : 671/672/691.IS:3589. |
| (1) | Outside Diameter (mm) | (5) | IS - 3589 Gr. 'A' | (9) | ASTM-A-671 & A-672 Gr. B-60 C - 60 |
| (2) | Outside Diameter (In.) | (6) | IS - 3589 Gr. 'B' | ||
| (3) | Weight (Kg/metre) | (7) | API - 5L Gr. 'A' | (10) | ASTM-A-671 & A-672 Gr. B-60 C - 60 |
| (4) | Wall Thickness (mm) | (8) | API - 5L Gr. 'B' |
| No. | (1) | (2) | (3) | (4) | (5) | (6) | (7) | (8) | (9) | (10) | No. | (1) | (2) | (3) | (4) | (5) | (6) | (7) | (8) | (9) | (10) |
| 1 | 406.4 | 16 | 51 | 5 | 33 | 41 | 31 | 36 | 33 | 39 | 63 | 1066.8 | 42 | 217 | 8 | 20 | 25 | 19 | 22 | 20 | 24 |
| 2 | 61 | 6 | 40 | 49 | 37 | 44 | 40 | 47 | 64 | 268 | 10 | 25 | 31 | 24 | 28 | 25 | 30 | ||||
| 3 | 81 | 8 | 51 | 51 | 50 | 58 | 53 | 63 | 65 | 320 | 12 | 30 | 38 | 28 | 33 | 30 | 36 | ||||
| 4 | 100 | 10 | 51 | 51 | 62 | 73 | 67 | 79 | 66 | 371 | 14 | 35 | 44 | 33 | 39 | 35 | 42 | ||||
| 5 | 457.2 | 18 | 69 | 6 | 35 | 44 | 33 | 39 | 35 | 42 | 67 | 422 | 16 | 40 | 50 | 38 | 44 | 41 | 48 | ||
| 6 | 92 | 8 | 47 | 51 | 44 | 52 | 47 | 56 | 68 | 1219.2 | 48 | 248 | 8 | 17 | 22 | 17 | 19 | 18 | 21 | ||
| 7 | 113 | 10 | 51 | 51 | 55 | 64 | 59 | 70 | 69 | 307 | 10 | 22 | 27 | 21 | 24 | 22 | 26 | ||||
| 8 | 135 | 12 | 51 | 51 | 66 | 77 | 71 | 84 | 70 | 366 | 12 | 26 | 33 | 25 | 29 | 27 | 32 | ||||
| 9. | 508.0 | 20 | 77 | 6 | 32 | 39 | 30 | 35 | 32 | 38 | 71 | 425 | 14 | 31 | 38 | 29 | 34 | 31 | 37 | ||
| 10 | 102 | 8 | 42 | 51 | 40 | 46 | 43 | 50 | 72 | 484 | 16 | 35 | 44 | 33 | 39 | 35 | 42 | ||||
| 11 | 126 | 10 | 51 | 51 | 50 | 58 | 53 | 63 | 73 | 542 | 18 | 40 | 49 | 37 | 44 | 40 | 47 | ||||
| 12 | 150 | 12 | 51 | 51 | 60 | 70 | 64 | 76 | 74 | 1371.6 | 54 | 279 | 8 | 16 | 22 | 15 | 17 | 16 | 19 | ||
| 13 | 558.8 | 22 | 84 | 6 | 29 | 36 | 27 | 32 | 29 | 34 | 75 | 346 | 10 | 20 | 24 | 18 | 21 | 20 | 23 | ||
| 14 | 113 | 8 | 49 | 48 | 36 | 42 | 39 | 46 | 76 | 412 | 12 | 24 | 29 | 22 | 26 | 24 | 28 | ||||
| 15 | 139 | 10 | 48 | 51 | 45 | 53 | 48 | 57 | 77 | 479 | 14 | 27 | 34 | 26 | 30 | 28 | 33 | ||||
| 16 | 166 | 12 | 51 | 51 | 54 | 63 | 58 | 69 | 78 | 545 | 16 | 31 | 39 | 30 | 34 | 32 | 37 | ||||
| 17 | 609.6 | 24 | 92 | 6 | 26 | 33 | 25 | 29 | 27 | 32 | 79 | 611 | 18 | 35 | 44 | 33 | 39 | 35 | 42 | ||
| 18 | 123 | 8 | 35 | 44 | 33 | 39 | 35 | 42 | 80 | 1422.4 | 56 | 289 | 8 | 15 | 20 | 14 | 17 | 15 | 18 | ||
| 19 | 152 | 10 | 44 | 51 | 42 | 48 | 44 | 53 | 81 | 357 | 10 | 19 | 24 | 18 | 21 | 19 | 23 | ||||
| 20 | 181 | 12 | 51 | 51 | 50 | 58 | 53 | 63 | 82 | 428 | 12 | 23 | 28 | 21 | 25 | 23 | 27 | ||||
| 21 | 660.4 | 26 | 100 | 6 | 24 | 30 | 23 | 27 | 25 | 29 | 83 | 497 | 14 | 26 | 33 | 25 | 29 | 27 | 32 | ||
| 22 | 133 | 8 | 33 | 41 | 31 | 36 | 33 | 39 | 84 | 565 | 16 | 30 | 38 | 28 | 33 | 30 | 36 | ||||
| 23 | 165 | 10 | 41 | 51 | 38 | 45 | 41 | 49 | 85 | 634 | 18 | 34 | 42 | 34 | 37 | 34 | 41 | ||||
| 24 | 196 | 12 | 49 | 51 | 46 | 54 | 49 | 58 | 86 | 690 | 20 | 38 | 47 | 36 | 41 | 38 | 45 | ||||
| 25 | 228 | 14 | 51 | 51 | 54 | 62 | 57 | 68 | 87 | 1524.0 | 60 | 310 | 8 | 14 | 19 | 13 | 15 | 14 | 17 | ||
| 26 | 711.2 | 28 | 108 | 6 | 23 | 28 | 21 | 25 | 23 | 27 | 88 | 384 | 10 | 18 | 22 | 17 | 19 | 18 | 21 | ||
| 27 | 144 | 8 | 30 | 38 | 28 | 33 | 30 | 36 | 89 | 458 | 12 | 21 | 26 | 20 | 23 | 21 | 25 | ||||
| 28 | 178 | 10 | 38 | 47 | 36 | 41 | 38 | 45 | 90 | 532 | 14 | 25 | 31 | 21 | 27 | 25 | 29 | ||||
| 29 | 212 | 12 | 45 | 51 | 43 | 50 | 46 | 54 | 91 | 606 | 16 | 28 | 35 | 27 | 31 | 28 | 34 | ||||
| 30 | 246 | 14 | 51 | 51 | 50 | 58 | 53 | 63 | 92 | 680 | 18 | 32 | 39 | 30 | 35 | 32 | 38 | ||||
| 31 | 762.0 | 30 | 115 | 6 | 21 | 26 | 20 | 23 | 21 | 25 | 93 | 741 | 20 | 35 | 44 | 33 | 39 | 35 | 42 | ||
| 32 | 154 | 8 | 28 | 35 | 27 | 31 | 28 | 34 | 94 | 1625.6 | 64 | 319 | 8 | 13 | 18 | 12 | 15 | 13 | 16 | ||
| 33 | 191 | 10 | 35 | 44 | 33 | 39 | 35 | 42 | 95 | 398 | 10 | 17 | 21 | 16 | 18 | 17 | 20 | ||||
| 34 | 227 | 12 | 42 | 51 | 40 | 46 | 43 | 50 | 96 | 477 | 12 | 20 | 25 | 19 | 22 | 20 | 24 | ||||
| 35 | 264 | 14 | 49 | 51 | 47 | 54 | 50 | 59 | 97 | 556 | 14 | 23 | 29 | 22 | 25 | 23 | 28 | ||||
| 36 | 812.8 | 32 | 123 | 6 | 20 | 25 | 19 | 22 | 20 | 24 | 98 | 635 | 16 | 26 | 33 | 25 | 29 | 27 | 32 | ||
| 37 | 165 | 8 | 26 | 33 | 25 | 29 | 27 | 32 | 99 | 713 | 18 | 30 | 37 | 28 | 33 | 30 | 35 | ||||
| 38 | 204 | 10 | 33 | 41 | 32 | 36 | 33 | 39 | 100 | 791 | 20 | 33 | 41 | 31 | 36 | 33 | 39 | ||||
| 39 | 243 | 12 | 40 | 49 | 37 | 44 | 40 | 47 | 101 | 869 | 22 | 36 | 45 | 34 | 40 | 37 | 43 | ||||
| 40 | 282 | 14 | 46 | 51 | 44 | 51 | 47 | 55 | 102 | 1828.8 | 72 | 538 | 12 | 18 | 25 | 17 | 19 | 18 | 21 | ||
| 41 | 836.6 | 34 | 131 | 6 | 19 | 23 | 18 | 20 | 19 | 22 | 103 | 626 | 14 | 21 | 26 | 19 | 23 | 21 | 25 | ||
| 42 | 175 | 8 | 25 | 31 | 23 | 27 | 25 | 30 | 104 | 715 | 16 | 24 | 29 | 22 | 26 | 24 | 28 | ||||
| 43 | 217 | 10 | 31 | 39 | 29 | 34 | 31 | 27 | 105 | 803 | 18 | 26 | 33 | 25 | 29 | 27 | 32 | ||||
| 44 | 258 | 12 | 37 | 46 | 35 | 41 | 38 | 45 | 106 | 892 | 20 | 29 | 37 | 28 | 32 | 30 | 35 | ||||
| 45 | 300 | 14 | 44 | 51 | 41 | 48 | 44 | 52 | 107 | 980 | 22 | 32 | 40 | 30 | 35 | 33 | 39 | ||||
| 46 | 914.4 | 36 | 139 | 6 | 18 | 22 | 17 | 19 | 18 | 21 | 108 | 1111 | 25 | 37 | 46 | 35 | 40 | 37 | 44 | ||
| 47 | 185 | 8 | 24 | 29 | 22 | 26 | 24 | 28 | 109 | 1930.4 | 76 | 568 | 12 | 17 | 22 | 16 | 18 | 17 | 20 | ||
| 48 | 230 | 10 | 29 | 37 | 28 | 32 | 30 | 35 | 110 | 661 | 14 | 20 | 24 | 18 | 21 | 20 | 23 | ||||
| 49 | 274 | 12 | 35 | 44 | 33 | 39 | 35 | 42 | 111 | 755 | 16 | 22 | 28 | 31 | 24 | 22 | 27 | ||||
| 50 | 317 | 14 | 41 | 51 | 39 | 45 | 41 | 49 | 112 | 849 | 18 | 25 | 31 | 24 | 27 | 25 | 30 | ||||
| 51 | 965.2 | 38 | 146 | 6 | 17 | 21 | 16 | 18 | 17 | 20 | 113 | 942 | 20 | 28 | 35 | 26 | 31 | 28 | 33 | ||
| 52 | 196 | 8 | 22 | 28 | 21 | 24 | 22 | 27 | 114 | 1035 | 22 | 31 | 38 | 29 | 34 | 31 | 37 | ||||
| 53 | 242 | 10 | 28 | 35 | 26 | 31 | 28 | 33 | 115 | 1174 | 25 | 35 | 43 | 33 | 38 | 35 | 42 | ||||
| 54 | 289 | 12 | 33 | 42 | 31 | 37 | 34 | 40 | 117 | 2032.0 | 80 | 598 | 12 | 16 | 21 | 15 | 17 | 16 | 19 | ||
| 55 | 335 | 14 | 39 | 48 | 37 | 43 | 39 | 46 | 118 | 697 | 14 | 19 | 23 | 17 | 20 | 19 | 22 | ||||
| 56 | 382 | 16 | 45 | 51 | 42 | 49 | 45 | 53 | 119 | 795 | 16 | 21 | 26 | 20 | 23 | 21 | 25 | ||||
| 57 | 1016.0 | 40 | 154 | 6 | 16 | 20 | 15 | 17 | 16 | 19 | 120 | 894 | 18 | 24 | 30 | 22 | 26 | 24 | 28 | ||
| 58 | 206 | 8 | 21 | 26 | 20 | 23 | 21 | 25 | 121 | 992 | 20 | 26 | 33 | 25 | 29 | 27 | 32 | ||||
| 59 | 255 | 10 | 26 | 33 | 25 | 29 | 27 | 32 | 122 | 1090 | 22 | 29 | 36 | 27 | 32 | 29 | 35 | ||||
| 60 | 304 | 12 | 32 | 39 | 30 | 35 | 32 | 38 | 123 | 1236 | 25 | 33 | 41 | 31 | 36 | 33 | 39 | ||||
| 61 | 353 | 14 | 37 | 46 | 35 | 41 | 37 | 44 | 124 | 1382 | 28 | 37 | 46 | 35 | 41 | 37 | 44 | ||||
| 62 | 402 | 16 | 42 | 51 | 40 | 46 | 43 | 50 | 125 | 1480 | 30 | 40 | 49 | 37 | 44 | 40 | 47 |
| Spiral Pipe |
| Product Range | Specifications |
| Dia. - 14"-80". Wall thk. : 6 to 25.4 mm. Length - Single random. |
API 5L Gr. A&B API 5Lx UPTO Gr. 70. ASTM : A 252 Grades 1,2 & 3. ASTM : 671/672/691.IS:3589. |
| (1) | Outside Diameter (mm) | (5) | IS - 3589 Gr. 'A' | (9) | ASTM-A-671 & A-672 Gr. B-60 C - 60 |
| (2) | Outside Diameter (In.) | (6) | IS - 3589 Gr. 'B' | ||
| (3) | Weight (Kg/metre) | (7) | API - 5L Gr. 'A' | (10) | ASTM-A-671 & A-672 Gr. B-60 C - 60 |
| (4) | Wall Thickness (mm) | (8) | API - 5L Gr. 'B' |
| No. | (1) | (2) | (3) | (4) | (5) | (6) | (7) | (8) | (9) | (10) | No. | (1) | (2) | (3) | (4) | (5) | (6) | (7) | (8) | (9) | (10) |
| 1 | 406.4 | 16 | 51 | 5 | 33 | 41 | 31 | 36 | 33 | 39 | 63 | 1066.8 | 42 | 217 | 8 | 20 | 25 | 19 | 22 | 20 | 24 |
| 2 | 61 | 6 | 40 | 49 | 37 | 44 | 40 | 47 | 64 | 268 | 10 | 25 | 31 | 24 | 28 | 25 | 30 | ||||
| 3 | 81 | 8 | 51 | 51 | 50 | 58 | 53 | 63 | 65 | 320 | 12 | 30 | 38 | 28 | 33 | 30 | 36 | ||||
| 4 | 100 | 10 | 51 | 51 | 62 | 73 | 67 | 79 | 66 | 371 | 14 | 35 | 44 | 33 | 39 | 35 | 42 | ||||
| 5 | 457.2 | 18 | 69 | 6 | 35 | 44 | 33 | 39 | 35 | 42 | 67 | 422 | 16 | 40 | 50 | 38 | 44 | 41 | 48 | ||
| 6 | 92 | 8 | 47 | 51 | 44 | 52 | 47 | 56 | 68 | 1219.2 | 48 | 248 | 8 | 17 | 22 | 17 | 19 | 18 | 21 | ||
| 7 | 113 | 10 | 51 | 51 | 55 | 64 | 59 | 70 | 69 | 307 | 10 | 22 | 27 | 21 | 24 | 22 | 26 | ||||
| 8 | 135 | 12 | 51 | 51 | 66 | 77 | 71 | 84 | 70 | 366 | 12 | 26 | 33 | 25 | 29 | 27 | 32 | ||||
| 9. | 508.0 | 20 | 77 | 6 | 32 | 39 | 30 | 35 | 32 | 38 | 71 | 425 | 14 | 31 | 38 | 29 | 34 | 31 | 37 | ||
| 10 | 102 | 8 | 42 | 51 | 40 | 46 | 43 | 50 | 72 | 484 | 16 | 35 | 44 | 33 | 39 | 35 | 42 | ||||
| 11 | 126 | 10 | 51 | 51 | 50 | 58 | 53 | 63 | 73 | 542 | 18 | 40 | 49 | 37 | 44 | 40 | 47 | ||||
| 12 | 150 | 12 | 51 | 51 | 60 | 70 | 64 | 76 | 74 | 1371.6 | 54 | 279 | 8 | 16 | 22 | 15 | 17 | 16 | 19 | ||
| 13 | 558.8 | 22 | 84 | 6 | 29 | 36 | 27 | 32 | 29 | 34 | 75 | 346 | 10 | 20 | 24 | 18 | 21 | 20 | 23 | ||
| 14 | 113 | 8 | 49 | 48 | 36 | 42 | 39 | 46 | 76 | 412 | 12 | 24 | 29 | 22 | 26 | 24 | 28 | ||||
| 15 | 139 | 10 | 48 | 51 | 45 | 53 | 48 | 57 | 77 | 479 | 14 | 27 | 34 | 26 | 30 | 28 | 33 | ||||
| 16 | 166 | 12 | 51 | 51 | 54 | 63 | 58 | 69 | 78 | 545 | 16 | 31 | 39 | 30 | 34 | 32 | 37 | ||||
| 17 | 609.6 | 24 | 92 | 6 | 26 | 33 | 25 | 29 | 27 | 32 | 79 | 611 | 18 | 35 | 44 | 33 | 39 | 35 | 42 | ||
| 18 | 123 | 8 | 35 | 44 | 33 | 39 | 35 | 42 | 80 | 1422.4 | 56 | 289 | 8 | 15 | 20 | 14 | 17 | 15 | 18 | ||
| 19 | 152 | 10 | 44 | 51 | 42 | 48 | 44 | 53 | 81 | 357 | 10 | 19 | 24 | 18 | 21 | 19 | 23 | ||||
| 20 | 181 | 12 | 51 | 51 | 50 | 58 | 53 | 63 | 82 | 428 | 12 | 23 | 28 | 21 | 25 | 23 | 27 | ||||
| 21 | 660.4 | 26 | 100 | 6 | 24 | 30 | 23 | 27 | 25 | 29 | 83 | 497 | 14 | 26 | 33 | 25 | 29 | 27 | 32 | ||
| 22 | 133 | 8 | 33 | 41 | 31 | 36 | 33 | 39 | 84 | 565 | 16 | 30 | 38 | 28 | 33 | 30 | 36 | ||||
| 23 | 165 | 10 | 41 | 51 | 38 | 45 | 41 | 49 | 85 | 634 | 18 | 34 | 42 | 34 | 37 | 34 | 41 | ||||
| 24 | 196 | 12 | 49 | 51 | 46 | 54 | 49 | 58 | 86 | 690 | 20 | 38 | 47 | 36 | 41 | 38 | 45 | ||||
| 25 | 228 | 14 | 51 | 51 | 54 | 62 | 57 | 68 | 87 | 1524.0 | 60 | 310 | 8 | 14 | 19 | 13 | 15 | 14 | 17 | ||
| 26 | 711.2 | 28 | 108 | 6 | 23 | 28 | 21 | 25 | 23 | 27 | 88 | 384 | 10 | 18 | 22 | 17 | 19 | 18 | 21 | ||
| 27 | 144 | 8 | 30 | 38 | 28 | 33 | 30 | 36 | 89 | 458 | 12 | 21 | 26 | 20 | 23 | 21 | 25 | ||||
| 28 | 178 | 10 | 38 | 47 | 36 | 41 | 38 | 45 | 90 | 532 | 14 | 25 | 31 | 21 | 27 | 25 | 29 | ||||
| 29 | 212 | 12 | 45 | 51 | 43 | 50 | 46 | 54 | 91 | 606 | 16 | 28 | 35 | 27 | 31 | 28 | 34 | ||||
| 30 | 246 | 14 | 51 | 51 | 50 | 58 | 53 | 63 | 92 | 680 | 18 | 32 | 39 | 30 | 35 | 32 | 38 | ||||
| 31 | 762.0 | 30 | 115 | 6 | 21 | 26 | 20 | 23 | 21 | 25 | 93 | 741 | 20 | 35 | 44 | 33 | 39 | 35 | 42 | ||
| 32 | 154 | 8 | 28 | 35 | 27 | 31 | 28 | 34 | 94 | 1625.6 | 64 | 319 | 8 | 13 | 18 | 12 | 15 | 13 | 16 | ||
| 33 | 191 | 10 | 35 | 44 | 33 | 39 | 35 | 42 | 95 | 398 | 10 | 17 | 21 | 16 | 18 | 17 | 20 | ||||
| 34 | 227 | 12 | 42 | 51 | 40 | 46 | 43 | 50 | 96 | 477 | 12 | 20 | 25 | 19 | 22 | 20 | 24 | ||||
| 35 | 264 | 14 | 49 | 51 | 47 | 54 | 50 | 59 | 97 | 556 | 14 | 23 | 29 | 22 | 25 | 23 | 28 | ||||
| 36 | 812.8 | 32 | 123 | 6 | 20 | 25 | 19 | 22 | 20 | 24 | 98 | 635 | 16 | 26 | 33 | 25 | 29 | 27 | 32 | ||
| 37 | 165 | 8 | 26 | 33 | 25 | 29 | 27 | 32 | 99 | 713 | 18 | 30 | 37 | 28 | 33 | 30 | 35 | ||||
| 38 | 204 | 10 | 33 | 41 | 32 | 36 | 33 | 39 | 100 | 791 | 20 | 33 | 41 | 31 | 36 | 33 | 39 | ||||
| 39 | 243 | 12 | 40 | 49 | 37 | 44 | 40 | 47 | 101 | 869 | 22 | 36 | 45 | 34 | 40 | 37 | 43 | ||||
| 40 | 282 | 14 | 46 | 51 | 44 | 51 | 47 | 55 | 102 | 1828.8 | 72 | 538 | 12 | 18 | 25 | 17 | 19 | 18 | 21 | ||
| 41 | 836.6 | 34 | 131 | 6 | 19 | 23 | 18 | 20 | 19 | 22 | 103 | 626 | 14 | 21 | 26 | 19 | 23 | 21 | 25 | ||
| 42 | 175 | 8 | 25 | 31 | 23 | 27 | 25 | 30 | 104 | 715 | 16 | 24 | 29 | 22 | 26 | 24 | 28 | ||||
| 43 | 217 | 10 | 31 | 39 | 29 | 34 | 31 | 27 | 105 | 803 | 18 | 26 | 33 | 25 | 29 | 27 | 32 | ||||
| 44 | 258 | 12 | 37 | 46 | 35 | 41 | 38 | 45 | 106 | 892 | 20 | 29 | 37 | 28 | 32 | 30 | 35 | ||||
| 45 | 300 | 14 | 44 | 51 | 41 | 48 | 44 | 52 | 107 | 980 | 22 | 32 | 40 | 30 | 35 | 33 | 39 | ||||
| 46 | 914.4 | 36 | 139 | 6 | 18 | 22 | 17 | 19 | 18 | 21 | 108 | 1111 | 25 | 37 | 46 | 35 | 40 | 37 | 44 | ||
| 47 | 185 | 8 | 24 | 29 | 22 | 26 | 24 | 28 | 109 | 1930.4 | 76 | 568 | 12 | 17 | 22 | 16 | 18 | 17 | 20 | ||
| 48 | 230 | 10 | 29 | 37 | 28 | 32 | 30 | 35 | 110 | 661 | 14 | 20 | 24 | 18 | 21 | 20 | 23 | ||||
| 49 | 274 | 12 | 35 | 44 | 33 | 39 | 35 | 42 | 111 | 755 | 16 | 22 | 28 | 31 | 24 | 22 | 27 | ||||
| 50 | 317 | 14 | 41 | 51 | 39 | 45 | 41 | 49 | 112 | 849 | 18 | 25 | 31 | 24 | 27 | 25 | 30 | ||||
| 51 | 965.2 | 38 | 146 | 6 | 17 | 21 | 16 | 18 | 17 | 20 | 113 | 942 | 20 | 28 | 35 | 26 | 31 | 28 | 33 | ||
| 52 | 196 | 8 | 22 | 28 | 21 | 24 | 22 | 27 | 114 | 1035 | 22 | 31 | 38 | 29 | 34 | 31 | 37 | ||||
| 53 | 242 | 10 | 28 | 35 | 26 | 31 | 28 | 33 | 115 | 1174 | 25 | 35 | 43 | 33 | 38 | 35 | 42 | ||||
| 54 | 289 | 12 | 33 | 42 | 31 | 37 | 34 | 40 | 117 | 2032.0 | 80 | 598 | 12 | 16 | 21 | 15 | 17 | 16 | 19 | ||
| 55 | 335 | 14 | 39 | 48 | 37 | 43 | 39 | 46 | 118 | 697 | 14 | 19 | 23 | 17 | 20 | 19 | 22 | ||||
| 56 | 382 | 16 | 45 | 51 | 42 | 49 | 45 | 53 | 119 | 795 | 16 | 21 | 26 | 20 | 23 | 21 | 25 | ||||
| 57 | 1016.0 | 40 | 154 | 6 | 16 | 20 | 15 | 17 | 16 | 19 | 120 | 894 | 18 | 24 | 30 | 22 | 26 | 24 | 28 | ||
| 58 | 206 | 8 | 21 | 26 | 20 | 23 | 21 | 25 | 121 | 992 | 20 | 26 | 33 | 25 | 29 | 27 | 32 | ||||
| 59 | 255 | 10 | 26 | 33 | 25 | 29 | 27 | 32 | 122 | 1090 | 22 | 29 | 36 | 27 | 32 | 29 | 35 | ||||
| 60 | 304 | 12 | 32 | 39 | 30 | 35 | 32 | 38 | 123 | 1236 | 25 | 33 | 41 | 31 | 36 | 33 | 39 | ||||
| 61 | 353 | 14 | 37 | 46 | 35 | 41 | 37 | 44 | 124 | 1382 | 28 | 37 | 46 | 35 | 41 | 37 | 44 | ||||
| 62 | 402 | 16 | 42 | 51 | 40 | 46 | 43 | 50 | 125 | 1480 | 30 | 40 | 49 | 37 | 44 | 40 | 47 |
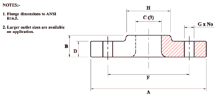
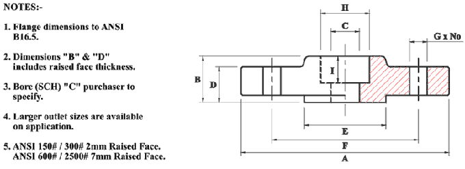
FITTING DIMENSIONS :-
| Nom. Pipe Size mm Dia. Nom. |
A | B | D | E | O | K | Os | Ks |
| 15 | 38 | 16 | - | 25 | 76 | 48 | - | - |
| 20 | 28 | 11 | - | 25 | 57 | 43 | - | - |
| 25 | 38 | 22 | 25 | 38 | 76 | 56 | 51 | 41 |
| 32 | 48 | 25 | 32 | 38 | 95 | 70 | 64 | 52 |
| 40 | 57 | 28 | 38 | 38 | 114 | 83 | 76 | 62 |
| 50 | 76 | 35 | 51 | 38 | 152 | 106 | 102 | 81 |
| 65 | 95 | 44 | 64 | 38 | 190 | 132 | 127 | 100 |
| 80 | 114 | 51 | 76 | 51 | 229 | 159 | 152 | 121 |
| 90 | 133 | 57 | 89 | 64 | 267 | 184 | 178 | 140 |
| 100 | 152 | 64 | 102 | 64 | 305 | 210 | 203 | 159 |
| 125 | 190 | 79 | 127 | 76 | 381 | 262 | 254 | 197 |
| 150 | 229 | 95 | 152 | 89 | 457 | 313 | 305 | 236 |
| 200 | 305 | 127 | 203 | 102 | 610 | 414 | 406 | 313 |
| 250 | 381 | 159 | 254 | 127 | 762 | 518 | 508 | 391 |
| 300 | 457 | 190 | 305 | 152 | 914 | 619 | 610 | 467 |
| 350 | 533 | 222 | 356 | 165 | 1067 | 711 | 711 | 533 |
| 400 | 610 | 254 | 406 | 178 | 1219 | 813 | 813 | 610 |
| 450 | 686 | 286 | 457 | 203 | 1372 | 914 | 914 | 686 |
| 500 | 762 | 318 | 508 | 229 | 1524 | 1016 | 1016 | 762 |
| 550 | 838 | 343 | - | 254 | 1676 | 1118 | - | - |
| 600 | 914 | 381 | 610 | 267 | 1829 | 1219 | 1219 | 914 |
| 650 | 991 | 06 | - | 267 | 1981 | 1321 | - | - |
| 700 | 1067 | 438 | - | 267 | - | - | - | - |
| 750 | 1143 | 470 | 762 | 267 | 2286 | 1524 | 1524 | 1143 |
| 800 | 1219 | 502 | - | 267 | - | - | - | - |
| 850 | 1295 | 533 | - | 267 | - | - | - | - |
| 900 | 1372 | 565 | 914 | 267 | - | - | 1829 | 1372 |
| 1100 | 1600 | 660 | - | 305 | - | - | - | - |
| 1200 | 1829 | 759 | 1219 | 343 | - | - | - | - |
| Nom. Pipe Size mm Dia. Nom. |
A | B | Nom. Pipe Size Dia. Nom. |
F | G | Nom. Pipe Size Dia. Nom. |
C | A | B | Nom. Pipe Size Dia. Nom. |
O | K |
| 50 | 152 | 64 | 15 | 76 | 35 | 40 | 25 | 57 | 83 | 25 | 102 | 67 |
| 80 | 229 | 95 | 20 | 76 | 43 | 50 | 32 | 76 | 108 | 32 | 127 | 84 |
| 100 | 305 | 127 | 25 | 102 | 51 | 65 | 32 | 95 | 127 | 40 | 152 | 100 |
| 150 | 457 | 190 | 32 | 102 | 64 | 80 | 32 | 114 | 146 | 50 | 203 | 132 |
| 200 | 610 | 254 | 40 | 102 | 73 | 90 | 38 | 133 | 171 | 65 | 254 | 164 |
| 250 | 762 | 318 | 50 | 152 | 92 | 100 | 38 | 152 | 190 | - | - | - |
| 300 | 914 | 381 | 65 | 152 | 105 | 125 | 38 | 190 | 229 | - | - | - |
| 350 | 1067 | 444 | 80 | 152 | 127 | 150 | 44 | 229 | 273 | - | - | - |
| 400 | 1219 | 505 | 90 | 152 | 140 | 200 | 44 | 305 | 349 | - | - | - |
| 450 | 1372 | 568 | 100 | 152 | 157 | 250 | 51 | 381 | 432 | - | - | - |
| 500 | 1524 | 632 | 125 | 203 | 186 | 300 | 64 | 457 | 521 | - | - | - |
| 550 | 1676 | 694 | 150 | 203 | 216 | - | - | - | - | - | - | - |
| 600 | 1829 | 757 | 200 | 203 | 270 | - | - | - | - | - | - | - |
| 650 | 1981 | 821 | 250 | 254 | 324 | - | - | - | - | - | - | - |
| 750 | 2286 | 946 | 300 | 254 | 381 | - | - | - | - | - | - | - |
| 850 | 2591 | 1073 | 350 | 305 | 413 | - | - | - | - | - | - | - |
| 900 | 2743 | 1137 | 400 | 305 | 470 | - | - | - | - | - | - | - |
| 1100 | 3200 | 1326 | 450 | 305 | 533 | - | - | - | - | - | - | - |
| 1200 | 3658 | 1516 | 500 | 305 | 584 | - | - | - | - | - | - | - |
| - | - | - | 550 | 305 | 641 | - | - | - | - | - | - | - |
| - | - | - | 600 | 305 | 692 | - | - | - | - | - | - | - |
| Non. Pipe Size mm. Dia. Normal | Center to End of Run | Center to End of Branch | Nom. Pipe Size Nominal | Center to End of Run | Center to End of Branch | ||
| Run | Branch | C | M | Run | Branch | C | M |
| 15 | 6 | 25 | 25 | 80 | 25 | 86 | 67 |
| 10 | 25 | 25 | 32 | 86 | 70 | ||
| 15 | 25 | 25 | 40 | 86 | 73 | ||
| 20 | 10 | 28 | 28 | 50 | 86 | 76 | |
| 15 | 28 | 28 | 65 | 86 | 83 | ||
| 20 | 28 | 28 | 80 | 86 | 86 | ||
| 25 | 10 | 34 | 34 | 90 | 40 | 95 | 79 |
| 15 | 34 | 34 | 50 | 95 | 83 | ||
| 20 | 34 | 34 | 65 | 95 | 89 | ||
| 25 | 34 | 34 | 80 | 95 | 92 | ||
| 32 | 15 | 48 | 48 | 90 | 95 | 95 | |
| 20 | 48 | 48 | 100 | 40 | 105 | 86 | |
| 25 | 48 | 48 | 50 | 105 | 89 | ||
| 32 | 48 | 48 | 65 | 105 | 95 | ||
| 40 | 15 | 57 | 57 | 80 | 105 | 99 | |
| 20 | 57 | 57 | 90 | 105 | 12 | ||
| 25 | 57 | 57 | 100 | 105 | 105 | ||
| 32 | 57 | 57 | 125 | 50 | 124 | 105 | |
| 40 | 57 | 57 | 65 | 124 | 108 | ||
| 50 | 20 | 64 | 44 | 60 | 124 | 111 | |
| 25 | 64 | 51 | 90 | 124 | 114 | ||
| 32 | 64 | 57 | 100 | 124 | 117 | ||
| 40 | 64 | 60 | 125 | 124 | 124 | ||
| 50 | 64 | 64 | 150 | 65 | 143 | 121 | |
| 65 | 25 | 76 | 57 | 80 | 143 | 124 | |
| 32 | 76 | 64 | 90 | 143 | 127 | ||
| 40 | 76 | 67 | 100 | 143 | 130 | ||
| 50 | 76 | 70 | 125 | 143 | 137 | ||
| 65 | 76 | 76 | 150 | 143 | 143 | ||
| Nom. Pipe Size mm Dia. Nom. |
A | B | D | E | O | K | Os | Ks |
| 15 | 38 | 16 | - | 25 | 76 | 48 | - | - |
| 20 | 28 | 11 | - | 25 | 57 | 43 | - | - |
| 25 | 38 | 22 | 25 | 38 | 76 | 56 | 51 | 41 |
| 32 | 48 | 25 | 32 | 38 | 95 | 70 | 64 | 52 |
| 40 | 57 | 28 | 38 | 38 | 114 | 83 | 76 | 62 |
| 50 | 76 | 35 | 51 | 38 | 152 | 106 | 102 | 81 |
| 65 | 95 | 44 | 64 | 38 | 190 | 132 | 127 | 100 |
| 80 | 114 | 51 | 76 | 51 | 229 | 159 | 152 | 121 |
| 90 | 133 | 57 | 89 | 64 | 267 | 184 | 178 | 140 |
| 100 | 152 | 64 | 102 | 64 | 305 | 210 | 203 | 159 |
| 125 | 190 | 79 | 127 | 76 | 381 | 262 | 254 | 197 |
| 150 | 229 | 95 | 152 | 89 | 457 | 313 | 305 | 236 |
| 200 | 305 | 127 | 203 | 102 | 610 | 414 | 406 | 313 |
| 250 | 381 | 159 | 254 | 127 | 762 | 518 | 508 | 391 |
| 300 | 457 | 190 | 305 | 152 | 914 | 619 | 610 | 467 |
| 350 | 533 | 222 | 356 | 165 | 1067 | 711 | 711 | 533 |
| 400 | 610 | 254 | 406 | 178 | 1219 | 813 | 813 | 610 |
| 450 | 686 | 286 | 457 | 203 | 1372 | 914 | 914 | 686 |
| 500 | 762 | 318 | 508 | 229 | 1524 | 1016 | 1016 | 762 |
| 550 | 838 | 343 | - | 254 | 1676 | 1118 | - | - |
| 600 | 914 | 381 | 610 | 267 | 1829 | 1219 | 1219 | 914 |
| 650 | 991 | 06 | - | 267 | 1981 | 1321 | - | - |
| 700 | 1067 | 438 | - | 267 | - | - | - | - |
| 750 | 1143 | 470 | 762 | 267 | 2286 | 1524 | 1524 | 1143 |
| 800 | 1219 | 502 | - | 267 | - | - | - | - |
| 850 | 1295 | 533 | - | 267 | - | - | - | - |
| 900 | 1372 | 565 | 914 | 267 | - | - | 1829 | 1372 |
| 1100 | 1600 | 660 | - | 305 | - | - | - | - |
| 1200 | 1829 | 759 | 1219 | 343 | - | - | - | - |
| Nom. Pipe Size mm Dia. Nom. |
A | B | Nom. Pipe Size Dia. Nom. |
F | G | Nom. Pipe Size Dia. Nom. |
C | A | B | Nom. Pipe Size Dia. Nom. |
O | K |
| 50 | 152 | 64 | 15 | 76 | 35 | 40 | 25 | 57 | 83 | 25 | 102 | 67 |
| 80 | 229 | 95 | 20 | 76 | 43 | 50 | 32 | 76 | 108 | 32 | 127 | 84 |
| 100 | 305 | 127 | 25 | 102 | 51 | 65 | 32 | 95 | 127 | 40 | 152 | 100 |
| 150 | 457 | 190 | 32 | 102 | 64 | 80 | 32 | 114 | 146 | 50 | 203 | 132 |
| 200 | 610 | 254 | 40 | 102 | 73 | 90 | 38 | 133 | 171 | 65 | 254 | 164 |
| 250 | 762 | 318 | 50 | 152 | 92 | 100 | 38 | 152 | 190 | - | - | - |
| 300 | 914 | 381 | 65 | 152 | 105 | 125 | 38 | 190 | 229 | - | - | - |
| 350 | 1067 | 444 | 80 | 152 | 127 | 150 | 44 | 229 | 273 | - | - | - |
| 400 | 1219 | 505 | 90 | 152 | 140 | 200 | 44 | 305 | 349 | - | - | - |
| 450 | 1372 | 568 | 100 | 152 | 157 | 250 | 51 | 381 | 432 | - | - | - |
| 500 | 1524 | 632 | 125 | 203 | 186 | 300 | 64 | 457 | 521 | - | - | - |
| 550 | 1676 | 694 | 150 | 203 | 216 | - | - | - | - | - | - | - |
| 600 | 1829 | 757 | 200 | 203 | 270 | - | - | - | - | - | - | - |
| 650 | 1981 | 821 | 250 | 254 | 324 | - | - | - | - | - | - | - |
| 750 | 2286 | 946 | 300 | 254 | 381 | - | - | - | - | - | - | - |
| 850 | 2591 | 1073 | 350 | 305 | 413 | - | - | - | - | - | - | - |
| 900 | 2743 | 1137 | 400 | 305 | 470 | - | - | - | - | - | - | - |
| 1100 | 3200 | 1326 | 450 | 305 | 533 | - | - | - | - | - | - | - |
| 1200 | 3658 | 1516 | 500 | 305 | 584 | - | - | - | - | - | - | - |
| - | - | - | 550 | 305 | 641 | - | - | - | - | - | - | - |
| - | - | - | 600 | 305 | 692 | - | - | - | - | - | - | - |
| Nom. Pipe Size mm Dia. Nominal | H | Nom. Pipe Size Dia. Nominal | H | Nom. Pipe Size Dia. Nominal | H | |||
| Lg. End | sm. End | Lg. End | sm. End | Lg. End | sm. End | |||
| 20 | 10 | 38 | 90 | 32 | 102 | 250 | 100 | 178 |
| 15 | 38 | 40 | 102 | 125 | 178 | |||
| 25 | 10 | 51 | 50 | 102 | 150 | 178 | ||
| 15 | 51 | 65 | 102 | 200 | 178 | |||
| 20 | 51 | 80 | 102 | 300 | 125 | 203 | ||
| 32 | 15 | 51 | 100 | 40 | 102 | 150 | 203 | |
| 20 | 51 | 50 | 102 | 200 | 203 | |||
| 25 | 51 | 65 | 102 | 250 | 203 | |||
| 40 | 15 | 64 | 80 | 102 | 350 | 150 | 330 | |
| 20 | 64 | 90 | 102 | 200 | 330 | |||
| 25 | 64 | 125 | 50 | 127 | 250 | 330 | ||
| 32 | 64 | 65 | 127 | 300 | 330 | |||
| 50 | 20 | 76 | 80 | 127 | 400 | 200 | 356 | |
| 25 | 76 | 90 | 127 | 250 | 356 | |||
| 32 | 76 | 100 | 127 | 300 | 356 | |||
| 40 | 76 | 150 | 65 | 140 | 350 | 356 | ||
| 65 | 25 | 89 | 80 | 140 | 450 | 250 | 381 | |
| 32 | 89 | 90 | 140 | 300 | 381 | |||
| 40 | 89 | 100 | 140 | 350 | 381 | |||
| 50 | 89 | 125 | 140 | 400 | 381 | |||
| 80 | 32 | 89 | 200 | 90 | 152 | 500 | 300 | 508 |
| 40 | 89 | 100 | 152 | 350 | 508 | |||
| 50 | 89 | 125 | 152 | 400 | 508 | |||
| 65 | 89 | 150 | 152 | 450 | 508 | |||
| Nom. Pipe Size mm Dia. Nom. |
A | B | D | E | O | K | Os | Ks |
| 15 | 38 | 16 | - | 25 | 76 | 48 | - | - |
| 20 | 28 | 11 | - | 25 | 57 | 43 | - | - |
| 25 | 38 | 22 | 25 | 38 | 76 | 56 | 51 | 41 |
| 32 | 48 | 25 | 32 | 38 | 95 | 70 | 64 | 52 |
| 40 | 57 | 28 | 38 | 38 | 114 | 83 | 76 | 62 |
| 50 | 76 | 35 | 51 | 38 | 152 | 106 | 102 | 81 |
| 65 | 95 | 44 | 64 | 38 | 190 | 132 | 127 | 100 |
| 80 | 114 | 51 | 76 | 51 | 229 | 159 | 152 | 121 |
| 90 | 133 | 57 | 89 | 64 | 267 | 184 | 178 | 140 |
| 100 | 152 | 64 | 102 | 64 | 305 | 210 | 203 | 159 |
| 125 | 190 | 79 | 127 | 76 | 381 | 262 | 254 | 197 |
| 150 | 229 | 95 | 152 | 89 | 457 | 313 | 305 | 236 |
| 200 | 305 | 127 | 203 | 102 | 610 | 414 | 406 | 313 |
| 250 | 381 | 159 | 254 | 127 | 762 | 518 | 508 | 391 |
| 300 | 457 | 190 | 305 | 152 | 914 | 619 | 610 | 467 |
| 350 | 533 | 222 | 356 | 165 | 1067 | 711 | 711 | 533 |
| 400 | 610 | 254 | 406 | 178 | 1219 | 813 | 813 | 610 |
| 450 | 686 | 286 | 457 | 203 | 1372 | 914 | 914 | 686 |
| 500 | 762 | 318 | 508 | 229 | 1524 | 1016 | 1016 | 762 |
| 550 | 838 | 343 | - | 254 | 1676 | 1118 | - | - |
| 600 | 914 | 381 | 610 | 267 | 1829 | 1219 | 1219 | 914 |
| 650 | 991 | 06 | - | 267 | 1981 | 1321 | - | - |
| 700 | 1067 | 438 | - | 267 | - | - | - | - |
| 750 | 1143 | 470 | 762 | 267 | 2286 | 1524 | 1524 | 1143 |
| 800 | 1219 | 502 | - | 267 | - | - | - | - |
| 850 | 1295 | 533 | - | 267 | - | - | - | - |
| 900 | 1372 | 565 | 914 | 267 | - | - | 1829 | 1372 |
| 1100 | 1600 | 660 | - | 305 | - | - | - | - |
| 1200 | 1829 | 759 | 1219 | 343 | - | - | - | - |
| Nom. Pipe Size mm Dia. Nom. |
A | B | Nom. Pipe Size Dia. Nom. |
F | G | Nom. Pipe Size Dia. Nom. |
C | A | B | Nom. Pipe Size Dia. Nom. |
O | K |
| 50 | 152 | 64 | 15 | 76 | 35 | 40 | 25 | 57 | 83 | 25 | 102 | 67 |
| 80 | 229 | 95 | 20 | 76 | 43 | 50 | 32 | 76 | 108 | 32 | 127 | 84 |
| 100 | 305 | 127 | 25 | 102 | 51 | 65 | 32 | 95 | 127 | 40 | 152 | 100 |
| 150 | 457 | 190 | 32 | 102 | 64 | 80 | 32 | 114 | 146 | 50 | 203 | 132 |
| 200 | 610 | 254 | 40 | 102 | 73 | 90 | 38 | 133 | 171 | 65 | 254 | 164 |
| 250 | 762 | 318 | 50 | 152 | 92 | 100 | 38 | 152 | 190 | - | - | - |
| 300 | 914 | 381 | 65 | 152 | 105 | 125 | 38 | 190 | 229 | - | - | - |
| 350 | 1067 | 444 | 80 | 152 | 127 | 150 | 44 | 229 | 273 | - | - | - |
| 400 | 1219 | 505 | 90 | 152 | 140 | 200 | 44 | 305 | 349 | - | - | - |
| 450 | 1372 | 568 | 100 | 152 | 157 | 250 | 51 | 381 | 432 | - | - | - |
| 500 | 1524 | 632 | 125 | 203 | 186 | 300 | 64 | 457 | 521 | - | - | - |
| 550 | 1676 | 694 | 150 | 203 | 216 | - | - | - | - | - | - | - |
| 600 | 1829 | 757 | 200 | 203 | 270 | - | - | - | - | - | - | - |
| 650 | 1981 | 821 | 250 | 254 | 324 | - | - | - | - | - | - | - |
| 750 | 2286 | 946 | 300 | 254 | 381 | - | - | - | - | - | - | - |
| 850 | 2591 | 1073 | 350 | 305 | 413 | - | - | - | - | - | - | - |
| 900 | 2743 | 1137 | 400 | 305 | 470 | - | - | - | - | - | - | - |
| 1100 | 3200 | 1326 | 450 | 305 | 533 | - | - | - | - | - | - | - |
| 1200 | 3658 | 1516 | 500 | 305 | 584 | - | - | - | - | - | - | - |
| - | - | - | 550 | 305 | 641 | - | - | - | - | - | - | - |
| - | - | - | 600 | 305 | 692 | - | - | - | - | - | - | - |
| Nom. Pipe Size mm Dia. Nom. |
A | B | Nom. Pipe Size Dia. Nom. |
F | G | Nom. Pipe Size Dia. Nom. |
C | A | B | Nom. Pipe Size Dia. Nom. |
O | K |
| 50 | 152 | 64 | 15 | 76 | 35 | 40 | 25 | 57 | 83 | 25 | 102 | 67 |
| 80 | 229 | 95 | 20 | 76 | 43 | 50 | 32 | 76 | 108 | 32 | 127 | 84 |
| 100 | 305 | 127 | 25 | 102 | 51 | 65 | 32 | 95 | 127 | 40 | 152 | 100 |
| 150 | 457 | 190 | 32 | 102 | 64 | 80 | 32 | 114 | 146 | 50 | 203 | 132 |
| 200 | 610 | 254 | 40 | 102 | 73 | 90 | 38 | 133 | 171 | 65 | 254 | 164 |
| 250 | 762 | 318 | 50 | 152 | 92 | 100 | 38 | 152 | 190 | - | - | - |
| 300 | 914 | 381 | 65 | 152 | 105 | 125 | 38 | 190 | 229 | - | - | - |
| 350 | 1067 | 444 | 80 | 152 | 127 | 150 | 44 | 229 | 273 | - | - | - |
| 400 | 1219 | 505 | 90 | 152 | 140 | 200 | 44 | 305 | 349 | - | - | - |
| 450 | 1372 | 568 | 100 | 152 | 157 | 250 | 51 | 381 | 432 | - | - | - |
| 500 | 1524 | 632 | 125 | 203 | 186 | 300 | 64 | 457 | 521 | - | - | - |
| 550 | 1676 | 694 | 150 | 203 | 216 | - | - | - | - | - | - | - |
| 600 | 1829 | 757 | 200 | 203 | 270 | - | - | - | - | - | - | - |
| 650 | 1981 | 821 | 250 | 254 | 324 | - | - | - | - | - | - | - |
| 750 | 2286 | 946 | 300 | 254 | 381 | - | - | - | - | - | - | - |
| 850 | 2591 | 1073 | 350 | 305 | 413 | - | - | - | - | - | - | - |
| 900 | 2743 | 1137 | 400 | 305 | 470 | - | - | - | - | - | - | - |
| 1100 | 3200 | 1326 | 450 | 305 | 533 | - | - | - | - | - | - | - |
| 1200 | 3658 | 1516 | 500 | 305 | 584 | - | - | - | - | - | - | - |
| - | - | - | 550 | 305 | 641 | - | - | - | - | - | - | - |
| - | - | - | 600 | 305 | 692 | - | - | - | - | - | - | - |
FLANGES DIMENSIONS :-
| Normal pipe size |
Outside dia. of flange |
Minimum thickness of flange |
Overall Length | Bolt Circle |
No. and Size of Holes |
O.D. of raised face |
|||
| Welding neck |
Slip-on & socket welding |
Lap Joint | |||||||
| O | Q | Y | Diam. | No. | dia. | R | |||
| 1/2 | 89 | 11.2 | 47.6 | 15.9 | 15.9 | 60.5 | 4 | 15 | 35 |
| 3/4 | 117 | 15.9 | 57.2 | 25.4 | 25.4 | 82.5 | 4 | 15 | 43 |
| 1 | 108 | 14.3 | 55.6 | 17.5 | 17.5 | 79.5 | 4 | 15 | 51 |
| 1.1/4 | 117 | 15.9 | 57.2 | 20.6 | 20.6 | 89.0 | 4 | 15 | 64 |
| 1.1/2 | 127 | 17.5 | 61.9 | 22.2 | 22.2 | 98.5 | 4 | 15 | 73 |
| 2 | 152 | 19.1 | 63.5 | 25.4 | 25.4 | 120.5 | 4 | 19 | 92 |
| 2.1/2 | 178 | 22.3 | 69.8 | 28.6 | 28.6 | 139.5 | 4 | 19 | 105 |
| 3 | 190 | 23.9 | 69.8 | 30.2 | 30.2 | 152.5 | 4 | 19 | 127 |
| 3.1/2 | 216 | 23.9 | 71.4 | 31.8 | 31.8 | 178.0 | 8 | 19 | 140 |
| 4 | 229 | 23.9 | 86.2 | 33.3 | 33.3 | 190.5 | 8 | 19 | 157 |
| 5 | 254 | 23.9 | 88.9 | 36.5 | 36.5 | 216.0 | 8 | 22 | 186 |
| 6 | 279 | 25.4 | 88.9 | 39.7 | 39.7 | 241.5 | 8 | 22 | 216 |
| 8 | 343 | 28.6 | 101.6 | 44.4 | 44.4 | 298.5 | 8 | 22 | 270 |
| 10 | 406 | 30.2 | 101.6 | 49.2 | 49.2 | 362.0 | 12 | 25 | 324 |
| 12 | 483 | 31.8 | 114.3 | 55.6 | 55.6 | 432.0 | 12 | 25 | 381 |
| 14 | 533 | 35.0 | 127.0 | 57.2 | 79.4 | 476.0 | 12 | 29 | 413 |
| 16 | 597 | 36.6 | 127.0 | 63.5 | 87.3 | 539.5 | 16 | 29 | 470 |
| 18 | 635 | 39.7 | 139.7 | 68.3 | 96.8 | 578.0 | 16 | 32 | 533 |
| 20 | 698 | 42.9 | 144.5 | 73.0 | 103.2 | 635.0 | 20 | 32 | 584 |
| 24 | 813 | 47.7 | 152.4 | 82.6 | 111.1 | 749.5 | 20 | 35 | 692 |
| 300 LB. FLANGES |
| Normal pipe size |
Outside dia. of flange |
Minimum thickness of flange |
Overall Length | Bolt Circle |
No. and Size of Holes |
O.D. of raised face |
|||
| Welding neck |
Slip-on & socket welding |
Lap Joint | |||||||
| O | Q | Y | Diam. | No. | dia. | R | |||
| 1/2 | 95 | 14.3 | 52.4 | 22.2 | 22.2 | 666.5 | 4 | 15 | 35 |
| 3/4 | 117 | 15.9 | 57.2 | 25.4 | 25.4 | 82.4 | 4 | 19 | 43 |
| 1 | 124 | 17.5 | 61.9 | 27.0 | 27.0 | 89.0 | 4 | 19 | 51 |
| 1-1/4 | 133 | 19.1 | 65.1 | 27.0 | 27.0 | 98.5 | 4 | 19 | 64 |
| 1-1/2 | 156 | 20.7 | 68.3 | 30.2 | 30.2 | 114.5 | 4 | 22 | 73 |
| 2 | 165 | 22.3 | 69.8 | 33.3 | 33.3 | 127.0 | 8 | 19 | 92 |
| 2-1/2 | 190 | 25.4 | 76.2 | 38.1 | 38.1 | 149.0 | 8 | 22 | 105 |
| 3 | 210 | 28.6 | 79.4 | 42.9 | 42.9 | 168.0 | 8 | 22 | 127 |
| 4 | 254 | 318 | 85.7 | 47.6 | 47.6 | 200.0 | 8 | 22 | 157 |
| 5 | 279 | 35.0 | 98.4 | 50.8 | 50.8 | 235.0 | 8 | 22 | 186 |
| 6 | 313 | 36.6 | 98.4 | 52.4 | 52.4 | 270.0 | 12 | 22 | 216 |
| 6 | 381 | 413 | 111.1 | 61.9 | 91.9 | 330.0 | 12 | 25 | 270 |
| 10 | 444 | 47.7 | 117.5 | 66.7 | 95.3 | 387.5 | 16 | 29 | 324 |
| 12 | 521 | 50.8 | 130.2 | 73.0 | 101.6 | 451.0 | 16 | 32 | 381 |
| 14 | 584 | 54.0 | 142.9 | 76.2 | 111.1 | 514.5 | 20 | 32 | 413 |
| 16 | 648 | 57.2 | 146.0 | 82.6 | 120.7 | 571.5 | 20 | 35 | 470 |
| 18 | 711 | 60.4 | 158.8 | 88.9 | 130.2 | 628.5 | 24 | 35 | 533 |
| 20 | 775 | 63.5 | 161.9 | 95.2 | 139.7 | 686.0 | 24 | 35 | 584 |
| 24 | 914 | 69.9 | 168.3 | 106.4 | 152.4 | 843.0 | 24 | 41 | 692 |
| 600 LB. FLANGES |
| Normal pipe size |
Outside dia. of flange |
Minimum thickness of flange |
Overall Length | Bolt Circle | No. and Size of Holes |
O.D. of raised face |
|||
| Welding neck | Slip-on & socket welding |
Lap Joint | |||||||
| O | Q | Y | Diam. | No. | dia. | R | |||
| 1/2 | 95 | 14.3 | 52.4 | 22.2 | 22.2 | 66.5 | 4 | 15 | 35 |
| 3/4 | 117 | 15.9 | 57.2 | 25.4 | 25.4 | 82.5 | 4 | 19 | 43 |
| 1 | 124 | 17.5 | 61.9 | 27.0 | 27.0 | 89.0 | 4 | 19 | 51 |
| 1-1/4 | 133 | 20.7 | 66.7 | 28.6 | 28.6 | 98.5 | 4 | 19 | 64 |
| 1-1/2 | 156 | 22.3 | 69.8 | 31.8 | 31.8 | 114.5 | 4 | 22 | 73 |
| 2 | 165 | 25.4 | 73.0 | 36.5 | 36.5 | 127.0 | 8 | 19 | 92 |
| 2-1/2 | 190 | 28.6 | 79.4 | 41.3 | 41.3 | 149.0 | 8 | 22 | 105 |
| 3 | 210 | 31.8 | 82.6 | 46.0 | 46.0 | 168.0 | 8 | 22 | 127 |
| 3-1/2 | 229 | 35.0 | 85.7 | 49.2 | 49.2 | 184.0 | 8 | 25 | 140 |
| 4 | 273 | 38.1 | 101.6 | 54.0 | 54.0 | 216.0 | 8 | 25 | 157 |
| 5 | 330 | 44.5 | 114.3 | 60.3 | 60.3 | 266.5 | 8 | 29 | 186 |
| 6 | 356 | 47.7 | 117.5 | 66.7 | 66.7 | 292.0 | 12 | 29 | 216 |
| 8 | 419 | 55.6 | 133.4 | 76.2 | 76.2 | 349.0 | 12 | 32 | 270 |
| 10 | 508 | 63.5 | 152.4 | 85.7 | 115.1 | 432.0 | 16 | 85 | 324 |
| 12 | 559 | 66.7 | 155.6 | 92.1 | 111.1 | 489.0 | 20 | 35 | 381 |
| 14 | 603 | 69.9 | 165.1 | 93.7 | 117.5 | 527.0 | 20 | 38 | 413 |
| 16 | 686 | 76.2 | 177.8 | 106.4 | 127.0 | 603.0 | 20 | 41 | 470 |
| 18 | 743 | 82.6 | 184.2 | 117.6 | 139.7 | 654.0 | 20 | 45 | 533 |
| 20 | 813 | 88.9 | 190.5 | 127.0 | 165.1 | 724.0 | 24 | 45 | 584 |
| 24 | 940 | 101.6 | 203.2 | 139.7 | 184.2 | 838.0 | 24 | 51 | 692 |
| 900 LB. FLANGES |
| Normal pipe size |
Outside dia. of flange |
Minimum thickness of flange |
Overall Length | Bolt Circle |
No. and Size of Holes |
O.D. of raised face |
|||
| Welding neck | Slip-on & socket welding |
Lap Joint | |||||||
| O | Q | Y | Diam. | No. | dia. | R | |||
| 1/2 | 121 | 22.3 | 60.3 | 31.8 | 31.8 | 82.5 | 4 | 22 | 35 |
| 3/4 | 130 | 25.4 | 69.8 | 34.9 | 34.9 | 89.0 | 4 | 22 | 43 |
| 1 | 149 | 28.6 | 78.0 | 41.3 | 41.3 | 101.5 | 4 | 25 | 51 |
| 1-1/4 | 159 | 28.6 | 78.0 | 41.3 | 41.3 | 111.0 | 4 | 25 | 64 |
| 1-1/2 | 178 | 31.8 | 82.6 | 44.4 | 44.4 | 124.0 | 4 | 29 | 78 |
| 2 | 216 | 38.1 | 101.6 | 57.2 | 57.2 | 165.0 | 8 | 25 | 92 |
| 2-1/2 | 244 | 41.3 | 104.8 | 63.5 | 63.5 | 190.5 | 8 | 29 | 105 |
| 8 | 241 | 38.1 | 101.6 | 54.0 | 54.0 | 190.5 | 8 | 25 | 127 |
| 3-1/2 | |||||||||
| 4 | 292 | 44.5 | 114.3 | 69.8 | 69.8 | 235.0 | 8 | 32 | 157 |
| 5 | 349 | 50.8 | 127.0 | 79.4 | 79.4 | 279.5 | 8 | 35 | 186 |
| 6 | 381 | 55.6 | 189.7 | 85.7 | 85.7 | 317.5 | 12 | 32 | 216 |
| 8 | 470 | 68.5 | 161.9 | 101.8 | 114.3 | 393.5 | 12 | 38 | 270 |
| 10 | 546 | 69.9 | 184.2 | 108.0 | 127.0 | 470.0 | 16 | 38 | 324 |
| 12 | 610 | 79.4 | 200.0 | 117.5 | 142.9 | 533.5 | 20 | 38 | 381 |
| 14 | 584 | 54.0 | 142.9 | 76.2 | 111.1 | 514.5 | 20 | 32 | 413 |
| 16 | 711 | 60.4 | 158.8 | 88.9 | 130.2 | 628.5 | 24 | 35 | 533 |
| 20 | 775 | 63.5 | 161.9 | 95.2 | 139.7 | 686.0 | 24 | 35 | 584 |
| 24 | 914 | 69.9 | 168.3 | 106.4 | 152.4 | 843.0 | 24 | 41 | 692 |
| 1500 LB. FLANGES |
| Normal pipe size |
Outside dia. of flange |
Minimum thickness of flange |
Overall Length | Bolt Circle |
No. and Size of Holes |
O.D. of raised face |
|||
| Welding neck |
Slip-on & socket welding |
Lap Joint |
|||||||
| O | Q | Y | Diam. | No. | dia. | R | |||
| 1/2 | 12.1 | 22.3 | 60.3 | 31.8 | 31.8 | 82.5 | 4 | 22 | 35 |
| 3/4 | 130 | 25.4 | 69.8 | 34.9 | 34.9 | 89.0 | 4 | 22 | 43 |
| 1 | 149 | 28.6 | 73.0 | 41.3 | 41.3 | 101.5 | 4 | 25 | 51 |
| 1-1/4 | 159 | 28.6 | 73.0 | 41.3 | 41.3 | 111.0 | 4 | 25 | 64 |
| 1-1/2 | 178 | 31.8 | 82.6 | 44.4 | 44.4 | 124.0 | 4 | 29 | 73 |
| 2 | 216 | 38.1 | 101.6 | 57.2 | 57.2 | 165.0 | 8 | 25 | 92 |
| 2-1/2 | 244 | 41.3 | 104.8 | 63.5 | 63.5 | 190.5 | 8 | 29 | 105 |
| 3 | 267 | 47.7 | 117.5 | 73.0 | 73.0 | 203.0 | 8 | 32 | 127 |
| 3-1/2 | |||||||||
| 4 | 311 | 54.0 | 123.8 | 90.5 | 90.5 | 241.5 | 8 | 35 | 157 |
| 5 | 375 | 73.1 | 155.5 | 104.8 | 104.8 | 292.0 | 8 | 41 | 186 |
| 6 | 394 | 82.6 | 171.4 | 119.1 | 119.1 | 317.5 | 12 | 38 | 216 |
| 8 | 483 | 92.1 | 212.7 | 142.9 | 142.9 | 393.5 | 12 | 45 | 270 |
| 10 | 584 | 108.0 | 254.0 | 158.8 | 177.8 | 482.5 | 12 | 51 | 324 |
| 12 | 673 | 123.9 | 282.9 | 181.0 | 219.1 | 571.5 | 16 | 54 | 381 |
| 14 | 749 | 133.4 | 298.4 | ----- | 241.3 | 635.0 | 16 | 60 | 413 |
| 16 | 826 | 146.1 | 311.2 | ----- | 260.4 | 705.0 | 16 | 51 | 470 |
| 18 | 914 | 162.0 | 327.0 | ------ | 276.2 | 474.5 | 16 | 73 | 538 |
| 20 | 984 | 117.8 | 355.4 | ----- | 292.1 | 832.0 | 16 | 80 | 584 |
| 24 | 1168 | 203.2 | 406.4 | ----- | 330.2 | 990.5 | 16 | 92 | 692 |
| 2500 LB. FLANGES |
| Normal pipe size |
Outside dia. of flange |
Minimum thickness of flange |
Overall Length | Bolt Circle |
No. and Size of Holes |
O.D. of raised face |
|||
| Welding neck |
Slip-on & socket welding |
Lap Joint |
|||||||
| O | Q | Y | Diam. | No. | dia. | R | |||
| 1/2 | 133.4 | 30.2 | 73.0 | 39.7 | 39.7 | 88.9 | 4 | 22 | 34.9 |
| 3/4 | 139.7 | 31.8 | 79.4 | 42.9 | 42.9 | 95.3 | 4 | 22 | 42.9 |
| 1 | 158.8 | 34.9 | 88.9 | 47.6 | 47.6 | 108.0 | 4 | 25 | 50.8 |
| 1-1/4 | 184.2 | 38.1 | 95.3 | 52.4 | 52.4 | 130.2 | 4 | 29 | 63.5 |
| 1-1/2 | 203.2 | 44.5 | 111.1 | 60.3 | 60.3 | 146.0 | 4 | 32 | 73.0 |
| 2 | 235.0 | 50.8 | 127.0 | 69.9 | 69.9 | 171.5 | 8 | 29 | 92.1 |
| 2-1/2 | 266.7 | 57.2 | 142.9 | 79.4 | 79.4 | 196.9 | 8 | 32 | 104.8 |
| 3 | 304.8 | 66.7 | 168.3 | 92.1 | 92.1 | 228.6 | 8 | 35 | 127.0 |
| 3-1/2 | |||||||||
| 4 | 355.6 | 76.2 | 190.5 | 108.0 | 108.0 | 273.0 | 8 | 41 | 157.2 |
| 5 | 419.1 | 92.1 | 228.6 | 130.2 | 130.2 | 323.9 | 8 | 48 | 185.7 |
| 6 | 482.6 | 108.0 | 273.1 | 152.4 | 152.4 | 268.3 | 8 | 54 | 215.9 |
| 8 | 552.5 | 127.0 | 317.5 | 177.8 | 177.8 | 438.2 | 12 | 54 | 269.9 |
| 10 | 673.1 | 165.1 | 419.1 | 228.6 | 228.6 | 539.8 | 12 | 67 | 323.9 |
| 12 | 762.0 | 184.2 | 463.6 | 254.0 | 254.0 | 619.1 | 12 | 73 | 381.03 |
| 14 | --- | --- | --- | --- | --- | --- | -- | --- | --- |
| 16 | --- | --- | --- | --- | --- | --- | -- | --- | --- |
| 18 | --- | --- | --- | --- | --- | --- | -- | --- | -- |
| 20 | --- | --- | --- | --- | --- | --- | -- | --- | -- |
| 24 | --- | --- | --- | --- | --- | --- | -- | --- | -- |
| WELDING NECK FLANGE BORES |
| Nom. pipe Size |
Outside Diam |
Light Wall 6 |
Sched. 20 |
Sched. 30 |
Std. Wall |
Sched. 40 |
Sched. 60 |
Extra Strong |
Sched. 80 |
Sched. 100 |
Sched. 120 |
Sched. 140 |
Sched. 160 |
Double Extra Strong |
| 1/2 3/4 1 |
0.840 1.050 1.315 |
.674 .884 1.097 |
..... ..... .... |
..... ..... .... |
0.622 0.824 1.049 |
0.622 0.824 1.049 |
..... ..... .... |
0.546 0.742 0.957 |
0.546 0.742 0.957 |
..... ..... .... |
..... ..... .... |
..... ..... .... |
0.464 0.612 0.815 |
0.252 0.434 0.599 |
| 1-1/4 1-1/2 2 |
1.660 1.900 2.375 |
1.442 1.682 2.157 |
..... ..... .... |
..... ..... .... |
1.380 1.610 2.067 |
1.380 1.610 2.067 |
..... ..... .... |
1.278 1.500 1.939 |
1.278 1.500 1.939 |
..... ..... .... |
..... ..... .... |
..... ..... .... |
1.160 1.338 1.687 |
0.896 1.100 1.503 |
| 2-1/2 3 3-1/2 |
2.875 3.500 4.000 |
2.635 3.260 3.760 |
..... ..... .... |
..... ..... .... |
2.469 3.068 3.548 |
2.469 3.068 3.548 |
..... ..... .... |
2.323 2.900 3.364 |
2.323 2.900 3.364 |
..... ..... .... |
.... .... .... |
..... ..... .... |
2.125 2.624 .... |
1.771 2.300 2.728 |
| 4 5 6 8 |
4.500 5.563 6.625 8.625 |
4.260 5.295 6.357 8.329 |
... ... ... 8.125 |
... ... ... 8.071 |
4.026 5.047 6.065 7.981 |
4.026 5.047 6.065 7.981 |
... .... ... 7.813 |
3.826 4.813 5.761 7.625 |
3.826 4.813 5.761 7.625 |
... ... ... 7.437 |
3.624 4.563 5.501 7.187 |
... ... ... 7.001 |
3.438 4.313 5.187 6.813 |
3.152 4.063 4.897 6.875 |
| 10 12 14 16 |
10.750 12.750 14.000 16.000 |
10.420 12.390 13.500 15.500 |
10.250 12.250 13.376 15.376 |
10.136 12.090 13.250 15.250 |
10.020 12.000 13.250 15.250 |
10.020 11.938 13.124 15.000 |
9.750 11.626 12.812 14.688 |
9.750 11.750 13.000 15.000 |
9.562 11.374 12.500 14.312 |
9.312 11.062 12.124 13.938 |
0.062 10.750 11.814 13.564 |
8.750 10.500 11.500 13.124 |
8.500 10.500 11.500 13.124 |
8.750 10.750 .... .... |
| 18 20 24 |
18.000 20.000 24.000 |
17.500 19.500 23.500 |
17.376 19.250 23.250 |
17.124 19.000 22.876 |
17.250 19.250 23.250 |
16.876 18.812 22.624 |
16.500 18.376 22.062 |
17.000 19.000 23.000 |
16.124 17.938 21.562 |
15.688 17.438 20.938 |
15.250 17.000 20.376 |
14.876 16.500 19.876 |
14.438 16.062 19.312 |
.... .... .... |
| 30 36 42 |
30.000 36.000 42.000 |
29.376 35.376 ...... |
29.000 35.000 |
28.750 34.750 |
29.250 35.250 41.250 |
.... 34.500 .... |
.... ..... .... |
29.000 35.000 41.000 |
.... ..... .... |
.... ..... .... |
.... ..... .... |
.... ..... .... |
.... ..... .... |
.... ..... .... |
| DIN 2527 |
| NW | D | Flange | k | Raised Face | Number | Bolts | Bolts | Dia. of Bolt Hole |
Weight of One Flange (7.85 kg/dm3) |
|||
| b | d4 | f | d2 | Type-B kg |
Type-C kg |
|||||||
| ND-6 | 10 15 20 |
75 80 90 |
12 12 14 |
50 55 65 |
35 40 50 |
2 2 2 |
4 4 4 |
M10 M10 M10 |
- - - |
11.5 11.5 11.5 |
0.38 0.44 0.65 |
0.33 0.38 0.59 |
| 25 32 40 |
100 120 130 |
14 14 14 |
75 90 100 |
60 70 80 |
2 2 3 |
4 4 4 |
M10 M12 M12 |
- (1/2") (1/2") |
11.5 14.0 14.0 |
0.82 1.17 1.39 |
0.74 1.07 1.21 |
|
| 50 65 80 |
140 160 190 |
14 14 16 |
110 130 150 |
90 110 128 |
3 3 3 |
4 4 4 |
M12 M12 M16 |
(1/2") (1/2") (3/8") |
14 14 18 |
1.62 2.44 3.43 |
1.43 2.21 3.09 |
|
| 100 125 150 |
210 240 265 |
16 18 18 |
170 200 225 |
148 178 202 |
3 3 3 |
4 8 8 |
M16 M16 M16 |
(5/8") (5/8") (5/8") |
18 18 18 |
4.76 6.11 7.51 |
4.37 5.68 7.02 |
|
| (175) 200 250 |
295 320 375 |
20 20 22 |
255 280 335 |
232 258 312 |
3 3 3 |
8 8 12 |
M16 M16 M16 |
(5/8") (5/8") (5/8") |
18 18 18 |
10.4 12.3 18.3 |
9.85 11.7 17.6 |
|
| 300 350 400 500 |
440 490 540 645 |
22 22 22 24 |
395 445 495 600 |
365 415 465 570 |
4 4 4 4 |
12 12 16 20 |
M20 M20 M20 M20 |
(3/4") (3/4") (3/4") (3/4") |
23 23 23 23 |
25.3 31.6 38.4 60.4 |
24.0 30.1 36.4 58.1 |
|
| ND-10 (Note from 10 mm to 175 mm see ND-16 |
200 250 300 |
340 395 445 |
24 26 26 |
295 350 400 |
268 320 370 |
3 3 4 |
8 12 12 |
M20 M20 M20 |
(3/4") (3/4") (3/4") |
23 23 23 |
16.5 24.0 30.9 |
15.6 23.1 29.4 |
| 350 400 500 |
505 565 670 |
26 26 28 |
460 515 620 |
430 482 585 |
4 4 4 |
16 16 20 |
M20 M24 M24 |
(3/4") (3/4") (3/4") |
23 27 27 |
40.6 49.4 75.0 |
38.0 47.5 72.7 |
|
| ND-16 Note : For DIN 2527 ND-10-4 Holes |
10 15 20 |
90 95 105 |
14 14 16 |
60 65 75 |
40 45 58 |
2 2 2 |
4 4 4 |
M12 M12 M12 |
(1/2") (1/2") (1/2") |
14 14 14 |
0.63 0.72 1.01 |
0.56 0.64 0.93 |
| 25 32 40 |
115 140 150 |
14 14 16 |
60 65 75 |
40 45 58 |
2 2 2 |
4 4 4 |
M12 M16 M16 |
(1/2") (5/8") (5/8") |
14 18 18 |
1.23 1.80 2.09 |
1.13 1.66 1.85 |
|
| 50 65 80 |
165 185 200 |
18 18 20 |
125 145 160 |
102 122 138 |
3 3 3 |
4 4 4/8 |
M16 M16 M16 |
(5/8") (5/8") (5/8") |
18 18 18 |
2.88 3.66 4.77 |
2.59 3.33 4.34 |
|
| 100 125 150 |
220 250 285 |
20 22 22 |
180 210 240 |
158 188 212 |
3 3 3 |
8 8 8 |
M16 M16 M16 |
(5/8") (5/8") (5/8") |
18 18 18 |
2.88 3.66 4.77 |
2.59 3.33 4.34 |
|
| 100 125 150 |
220 250 285 |
20 22 22 |
180 210 240 |
158 188 212 |
3 3 3 |
8 8 8 |
M16 M16 M20 |
(5/8") (5/8") (3/4") |
18 18 23 |
5.65 8.42 10.4 |
5.26 7.67 9.85 |
|
| (175) 200 250 |
315 340 405 |
24 24 26 |
270 295 355 |
242 268 320 |
3 3 3 |
8 12 12 |
M20 M20 M20 |
(3/4") (3/4") (7/8") |
23 23 27 |
14.0 16.1 24.9 |
13.5 15.6 23.9 |
|
| 300 350 400 |
460 520 580 |
28 30 32 |
410 470 525 |
378 438 490 |
4 4 4 |
12 16 16 |
M24 M24 M27 |
(7/8") (7/8") (1") |
27 27 30 |
35.1 47.8 63.5 |
33.6 46.2 61.5 |
|
| 500 | 715 | 34 | 650 | 610 | 4 | 20 | M30 | (1-1/8") | 33 | 102 | 99.5 | |
| ND-25 Note: From 10mm to 150 mm see ND-40 |
(175) 200 250 |
330 360 425 |
28 30 32 |
280 310 370 |
248 278 335 |
3 3 3 |
12 12 12 |
M24 M24 M24 |
(7/8") (7/8") (1") |
27 27 30 |
17.3 22.3 33.5 |
16.5 21.5 32.5 |
| 300 350 400 |
485 555 620 |
34 38 40 |
430 490 550 |
395 450 505 |
4 4 4 |
16 16 16 |
M27 M30 M33 |
(1") (1-1/8") (1- 1/4") |
30 33 36 |
46.3 68.0 89.7 |
44.7 65.9 87.0 |
|
| 500 | 730 | 44 | 660 | 615 | 4 | 20 | M33 | (1-1/4") | 36 | 138 | 134 | |
| ND-40 | 10 15 20 |
90 95 105 |
16 16 16 |
60 65 75 |
40 45 58 |
2 2 2 |
4 4 4 |
M12 M12 M12 |
(1/2") (1/2") (1/2") |
14 14 14 |
0.72 0.81 1.24 |
0.62 0.74 1.05 |
| 25 32 40 |
115 140 150 |
18 18 18 |
85 100 110 |
68 78 88 |
2 2 2 |
4 4 4 |
M12 M12 M12 |
(1/2") (5/8") (5/8") |
14 18 18 |
1.38 2.03 2.35 |
1.31 1.82 2.11 |
|
| 50 65 80 |
165 185 200 |
20 22 24 |
125 145 160 |
102 122 138 |
3 3 3 |
4 8 8 |
M16 M16 M16 |
(5/8") (5/8") (5/8") |
18 18 18 |
3.20 4.29 5.88 |
2.91 4.13 5.21 |
|
| 100 125 150 |
235 270 300 |
24 26 28 |
190 220 250 |
162 188 218 |
3 3 3 |
8 8 8 |
M20 M24 M24 |
(3/4") (7/8") (7/8") |
23 27 27 |
7.54 10.8 14.5 |
7.08 10.4 13.9 |
|
| 175 200 250 |
350 375 450 |
32 34 38 |
295 320 385 |
260 285 345 |
3 3 3 |
12 12 12 |
M27 M27 M27 |
(1") (1") (1-1/8") |
30 30 30 |
22.1 27.2 43.8 |
21.3 26.2 43.1 |
|
| 300 350 400 |
515 580 660 |
42 46 50 |
450 510 585 |
410 465 535 |
4 4 4 |
16 16 16 |
M30 M33 M36 |
(1-1/8") (1-1/8") (1-1/8") |
33 36 39 |
63.3 89.5 127 |
62.2 87.2 124 |
|
| 500 | 755 | 52 | 670 | 615 | 4 | 20 | M39 | (1-1/2") | 42 | 172 | 168 | |
| DIN 2576 |
| FLANGES, SLIP-ON TYPE FOR BRITISH OR WELDING NOMINAL PRESSURE 10 |
| Pipe | Flange | Bolts | Weight of one flange 7.85 kg/ dm3) kg |
|||||||
| NW | d1 | ds | D | b1 | k | Number | Thread | d2 | ||
| 10 | 14 17.2) |
14.5 17.7 |
90 | 14 | 60 | 4 | M12 | (1/2") | 14 | 0.613 0.605 |
| 15 | 20 21.3) |
20.5 21.8 |
95 | 14 | 65 | 4 | M12 | (1/2") | 14 | 0675 0.669 |
| 20 | 25 26.9) |
25.5 27.4 |
105 | 16 | 75 | 4 | M12 | (1/2") | 14 | 0.947 0.936 |
| 25 | 30 33.7) |
30.5 34.2 |
115 | 16 | 85 | 4 | M12 | (1/2") | 14 | 1.14 1.11 |
| 32 | 38 42.4) |
38.5 42.9 |
140 | 16 | 100 | 4 | M16 | (5/8") | 18 | 1.66 1.62 |
| 40 | 44.5 48.3) |
45 48.8 |
150 | 16 | 110 | 4 | M16 | (5/8") | 18 | 1.89 1.86 |
| 50 | 57 60.3) |
57.5 60.8 |
165 | 18 | 125 | 4 | M16 | (5/8") | 18 | 2.51 2.47 |
| 65 | 76.1) | 76.6 | 185 | 18 | 145 | 4 | M16 | (5/8") | 18 | 3.00 |
| 80 | 88.9) | 89.4 | 200 | 20 | 160 | 4 | M16 | (5/8") | 18 | 3.79 |
| 100 | 108 114.3) |
108.5 114.8 |
220 | 20 | 180 | 8 | M16 | (5/8") | 18 | 4.20 4.03 |
| 125 | 133 139.7) |
133.5 140.2 |
250 | 22 | 210 | 8 | M16 | (5/8") | 18 | 5.71 5.46 |
| 150 | 159 168.3) |
159.5 168.8 |
285 | 22 | 210 | 8 | M16 | (3/4") | 23 | 6.72 6.57 |
| 175 | 191 193.7) |
192 194.7 |
315 | 24 | 270 | 8 | M20 | (3/4") | 23 | 8.60 8.45 |
| 200 | 216 219.1) |
216 220.1 |
340 | 24 | 295 | 8 | M20 | (3/4") | 23 | 9.50 9.31 |
| 250 | 267 273) |
268 274 |
395 | 26 | 350 | 12 | M20 | (3/4") | 23 | 12.5 11.9 |
| 400 | 406.4 419 |
407.4 420 |
565 | 32 | 515 | 16 | M24 | (7/8") | 27 | 27.9 25.9 |
| 500 | 508) 521 |
509 522 |
670 | 38 | 620 | 20 | M24 | (7/8") | 27 | 37.9 41.1 |
| DIN 2632 |
| WELDING NECK FLANGES FOR NOMINAL PRESSURE 10 |
| Pipe | Flange | Neck | Raised face |
Bolts | Weight of one flange 7.85 kg/dm3) kg |
|||||||||||
| NW | d1 | D | b | k | h1 | d3 | s | f | h2 | d4 | f | No. | Thread | d2 | ||
| 200 | 216 | 340 | 24 | 295 | 62 | 232 | 5.9 | 10 | 16 | 268 | 3 | 8 | M20 | (3/4") | 23 | 11.3 |
| 219.1 | 235 | |||||||||||||||
| 250 | 267 | 395 | 26 | 350 | 68 | 285 | 6.3 | 12 | 16 | 320 | 3 | 12 | 14.7 | |||
| 273 | 295 | |||||||||||||||
| 300 | 318 | 445 | 26 | 400 | 68 | 335 | 7.1 | 12 | 16 | 370 | 4 | 17.6 | ||||
| 323.9 | 344 | |||||||||||||||
| 350 | 355.6 | 505 | 26 | 460 | 68 | 385 | 7.1 | 12 | 16 | 430 | 4 | 16 | M24 | (3/8") | 27 | |
| 368 | 21.4 | |||||||||||||||
| 400 | 406.4 | 565 | 26 | 515 | 72 | 440 | 7.1 | 12 | 16 | 482 | 4 | |||||
| 419 | 26.1 | |||||||||||||||
| 500 | 508 | 670 | 28 | 620 | 75 | 542 | 7.1 | 12 | 16 | 585 | 4 | 20 | ||||
| 521 | 34.7 | |||||||||||||||
| 600 | 609.6 | 780 | 28 | 725 | 80 | 642 | 7.1 | 12 | 18 | 685 | 5 | M27 | (1") | 30 | ||
| 622 | 42.2 | |||||||||||||||
| DIN 2633 |
| WELDING NECK FLANGES NOMINAL PRESSURE 16 |
| Pipe | Flange Neck | Raised face |
Bolts | Weight of one flange 7.85 kg/dm3) kg |
|||||||||||
| NW | d1 | D | b | k | h1 | d3 | s | r h2 | d4 | f | No. | Thread | d2 | ||
| 10 | 14 | 90 | 14 | 60 | 35 | 25 | 1.8 | 4 6 | 40 | 2 | 4 | M12 (1/2") 14 | 0.580 | ||
| 17.2 | 28 | ||||||||||||||
| 15 | 20 | 95 | 14 | 65 | 35 | 30 | 2 | 4 6 | 45 | 2 | 0.648 | ||||
| 21.3 | 32 | ||||||||||||||
| 20 | 25 | 105 | 16 | 85 | 38 | 42 | 2.3 | 4 6 | 58 | 2 | 0.952 | ||||
| 26.9 | 45 | ||||||||||||||
| 25 | 30 | 115 | 16 | 85 | 38 | 42 | 2.6 | 4 6 | 68 | 2 | 1.14 | ||||
| 33.7 | 45 | ||||||||||||||
| 32 | 38 | 140 | 16 | 100 | 40 | 52 | 2.6 | 4 6 | 78 | 2 | M16 (5/8") 18 | 1.69 | |||
| 42.4 | 56 | ||||||||||||||
| 40 | 44.5 | 150 | 16 | 100 | 40 | 60 | 2.6 | 6 6 | 88 | 3 | 1.86 | ||||
| 48.3 | 64 | ||||||||||||||
| 50 | 57 | 165 | 18 | 125 | 45 | 72 | 2.9 | 6 8 | 102 | 3 | 2.53 | ||||
| 60.3 | 75 | ||||||||||||||
| 65 | 76.1 | 185 | 18 | 145 | 45 | 90 | 2.9 | 6 10 | 122 | 3 | 306 | ||||
| 80 | 88.9 | 200 | 20 | 160 | 50 | 105 | 3.2 | 8 10 | 138 | 3 | 4/8 | 3.70 | |||
| 100 | 108 | 220 | 20 | 180 | 52 | 125 | 3.6 | 8 12 | 158 | 3 | 8 | 4.62 | |||
| 114.3 | 131 | ||||||||||||||
| 125 | 133 | 250 | 22 | 210 | 55 | 150 | 4 | 8 12 | 188 | 3 | 6.30 | ||||
| 139.7 | 156 | ||||||||||||||
| 150 | 159 | 285 | 22 | 240 | 55 | 150 | 4 | 8 12 | 188 | 3 | M20 | (3/4") | 23 | 7.75 | |
| 168.3 | 156 | ||||||||||||||
| 175 | 191 | 315 | 24 | 270 | 60 | 208 | 5.4 | 10 12 | 242 | 3 | 8 | M20(3/4") 23 | 10.0 | ||
| 193.7 | 210 | ||||||||||||||
| 200 | 216 | 340 | 24 | 295 | 62 | 232 | 5.9 | 10 16 | 268 | 3 | 12 | ||||
| 219.1 | 235 | 11.0 | |||||||||||||
| 250 | 267 | 405 | 26 | 355 | 70 | 285 | 6.3 | 12 16 | 320 | 3 | M24(7/8") 27 | 15.6 | |||
| 273 | 292 | ||||||||||||||
| 300 | 318 | 460 | 28 | 410 | 78 | 388 | 7.1 | 12 16 | 378 | 4 | 22.0 | ||||
| 323.9 | 344 | ||||||||||||||
| 350 | 355.6 | 520 | 30 | 470 | 82 | 390 | 8 | 12 16 | 438 | 4 | 16 | ||||
| 368 | 28.7 | ||||||||||||||
| 400 | 406.4 | 580 | 32 | 525 | 85 | 445 | 8 | 12 16 | 490 | 4 | M27 | (1") | 30 | ||
| 419 | 36.3 | ||||||||||||||
| 500 | 508 | 715 | 34 | 650 | 90 | 548 | 8 | 12 16 | 610 | 4 | 20 | M30 | (1-1/8") | 33 | |
| 521 | 59.3 | ||||||||||||||
| 600 | 609.6 | 840 | 36 | 770 | 95 | 652 | 8.8 | 12 18 | 725 | 5 | M33 | (1-1/4") | 36 | ||
| 622 | 73.4 | ||||||||||||||
| 700 | 711.2 | 910 | 36 | 840 | 100 | 755 | 8.8 | 12 18 | 795 | 5 | 24 | ||||
| 720 | 75.0 | ||||||||||||||
| 800 | 812.8 | 1025 | 38 | 950 | 105 | 855 | 10 | 12 20 | 900 | 5 | M36 | (1-3/8") | 39 | ||
| 820 | 99.0 | ||||||||||||||
| 900 | 914.4 | 1125 | 40 | 1050 | 110 | 955 | 10 | 12 20 | 1000 | 5 | 28 | ||||
| 920 | 119 | ||||||||||||||
| 1000 | 1016 | 1255 | 42 | 1170 | 120 | 1058 | 10 | 16 22 | 1115 | 5 | M39 | (1-1/2") | 42 | ||
| 1020 | 159 | ||||||||||||||
| DIN 2634 |
| WELDING NECK FLANGE NOMINAL PRESSURE 25 |
| Pipe | Flange | Neck | Raised face |
Bolts | Weight of one flange (7.85 kg/dm3) kg. |
|||||||||||
| NW | d1 | D | b | k | h1 | d3 | s | r | h2 | d4 | f | No. | Thread | d2 | ||
| 175 | (191) | 330 | 28 | 280 | 75 | 215 | 5.6 | 10 | 15 | 248 | 3 | 12 | M24 | (7/8") | 27 | 13.4 |
| 193.7 | 218 | |||||||||||||||
| 200 | 216 | 360 | 30 | 310 | 80 | 240 | 6.3 | 10 | 16 | 278 | 3 | 17.0 | ||||
| 219.1 | 244 | |||||||||||||||
| 250 | 267 | 425 | 32 | 370 | 88 | 292 | 7.1 | 12 | 18 | 335 | 3 | M27 | (1") | 30 | 24.4 | |
| 273 | 298 | |||||||||||||||
| 300 | 318 | 485 | 34 | 430 | 92 | 345 | 8 | 12 | 18 | 395 | 4 | 16 | ||||
| 323.9 | 352 | 31.2 | ||||||||||||||
| 350 | 355.6 | 555 | 38 | 490 | 100 | 398 | 8 | 12 | 20 | 450 | 4 | M30 | (1-1/8") | 33 | ||
| 368 | 45.0 | |||||||||||||||
| 400 | 406.4 | 620 | 40 | 550 | 110 | 452 | 8.8 | 12 | 20 | 505 | 4 | |||||
| 419 | 58.7 | |||||||||||||||
| 500 | 508 | 730 | 44 | 660 | 125 | 558 | 10 | 12 | 20 | 615 | 4 | 20 | M33 | (1-1/4") | 36 | |
| 521 | 86.1 | |||||||||||||||
| 600 | 609.6 | 845 | 46 | 770 | 125 | 660 | 11 | 12 | 20 | 720 | 5 | M36 | (1-3/8") | 39 | ||
| 622 | 101 | |||||||||||||||
| DIN 2642, DIN Connections |
| LOOSE FLANGE FOR FLANGE COLLAR PN 10 |
| Nom Pipe size |
Flange D mm |
d5 mm |
b mm |
r mm |
k mm |
Drilling Number |
d2 mm |
Weight kg |
Collar g mm |
| 10 15 20 |
90 95 105 |
16 23 28 |
16 16 16 |
5 5 5 |
60 65 75 |
4 4 4 |
15 15 15 |
0.23 0.26 0.30 |
45 50 60 |
| 25 32 40 |
115 140 150 |
33 42 50 |
16 16 16 |
5 5 5 |
85 100 110 |
4 4 4 |
15 18 18 |
0.37 0.54 0.5 |
70 82 0.92 |
| 50 65 80 |
165 185 200 |
62 81 94 |
18 18 20 |
5 5 5 |
125 145 160 |
4 4 4 |
18 18 18 |
0.80 0.90 1.28 |
107 127 142 |
| 100 125 150 |
220 250 285 |
113 138 164 |
20 22 22 |
5 6 6 |
180 210 240 |
8 8 8 |
18 18 22 |
1.37 1.78 2.27 |
162 192 218 |
| 175 200 250 |
315 340 395 |
195 222 273 |
24 24 26 |
6 7 7 |
270 295 350 |
8 8 12 |
22 22 22 |
2.90 3.16 4.22 |
248 273 328 |
| 300 350 400 |
445 505 565 |
324 374 426 |
26 26 32 |
7 8 8 |
400 460 515 |
12 16 16 |
22 22 25 |
4.80 5.85 8.45 |
378 438 490 |
| 450 500 600 |
615 670 780 |
475 530 630 |
32 34 36 |
8 8 10 |
565 620 725 |
20 20 20 |
25 25 30 |
9.45 11.35 15.30 |
540 595 695 |
| 700 800 |
895 1015 |
730 832 |
40 44 |
10 10 |
840 950 |
24 24 |
30 34 |
21.40 30.50 |
810 916 |
| DIN 2635 |
| WELDING NECK FLANGES NOMINAL PRESSURE 40 |
| Pipe | Flange | Neck | Raised | Bolts | Weight of one flange 7.85 kg/dm3) kg |
|||||||||||
| NW | d1 | D | b | k | h1 | d3 | s | r | h2 | d4 | f | No. | Thread | d2 | ||
| 10 | 14 | 90 | 16 | 60 | 35 | 25 | 1.8 | 4 | 6 | 40 | 2 | 4 | M12 | (1/2") | 14 | 0.661 |
| 17.2 | 28 | |||||||||||||||
| 15 | 20 | 95 | 16 | 65 | 38 | 30 | 2 | 4 | 6 | 45 | 2 | 0.746 | ||||
| 21.3 | 32 | |||||||||||||||
| 20 | 25 | 105 | 18 | 75 | 40 | 38 | 2.3 | 4 | 6 | 58 | 2 | 106 | ||||
| 26.9 | 40 | |||||||||||||||
| 25 | 30 | 115 | 18 | 85 | 40 | 42 | 2.6 | 4 | 6 | 68 | 2 | 1.29 | ||||
| 33.7 | 46 | |||||||||||||||
| 32 | 38 | 140 | 18 | 100 | 42 | 52 | 2.6 | 6 | 6 | 78 | 2 | 1.88 | ||||
| 42.4 | 56 | |||||||||||||||
| 40 | 44.5 | 150 | 18 | 110 | 45 | 60 | 2.6 | 6 | 7 | 88 | 3 | 2.33 | ||||
| 48.3 | 64 | |||||||||||||||
| 50 | 57 | 165 | 20 | 125 | 48 | 72 | 2.9 | 6 | 8 | 102 | 3 | M16 | (5/8") | 18 | 2.82 | |
| 60.3 | 75 | |||||||||||||||
| 65 | 76.1 | 185 | 22 | 145 | 52 | 90 | 2.9 | 6 | 10 | 122 | 3 | 3.74 | ||||
| 80 | 88.9 | 200 | 24 | 160 | 58 | 105 | 3.2 | 8 | 12 | 138 | 3 | 4.75 | ||||
| 100 | 108 | 235 | 24 | 190 | 65 | 128 | 3.6 | 8 | 12 | 138 | 3 | 8 | M20 | (3/4") | 23 | 6.52 |
| 114.3 | 134 | |||||||||||||||
| 125 | 133 | 270 | 26 | 220 | 68 | 155 | 4 | 8 | 12 | 188 | 3 | 8 | M24 | (7/8") | 27 | 9.07 |
| 139.7 | 162 | |||||||||||||||
| 150 | 159 | 300 | 28 | 250 | 75 | 182 | 4.5 | 10 | 12 | 188 | 3 | M24 | (7/8") | 11.8 | ||
| 168.3 | 192 | |||||||||||||||
| 175 | 191 | 350 | 32 | 295 | 82 | 215 | 5.6 | 10 | 16 | 285 | 3 | 12 | M27 | (1") | 30 | 18.2 |
| 193.7 | 218 | |||||||||||||||
| 200 | 216 | 375 | 34 | 320 | 88 | 240 | 6.3 | 10 | 16 | 285 | 3 | 21.5 | ||||
| 219.1 | 244 | |||||||||||||||
| 250 | 267 | 450 | 38 | 385 | 105 | 298 | 7.1 | 12 | 18 | 345 | 3 | 34.9 | ||||
| 273 | 306 | |||||||||||||||
| 300 | 318 | 515 | 42 | 450 | 115 | 352 | 8 | 12 | 18 | 410 | 4 | 16 | M30 | (1-1/8") | 33 | 49.7 |
| 323.9 | 362 | |||||||||||||||
| 350 | 355.6 | 580 | 46 | 510 | 125 | 408 | 8.8 | 12 | 20 | 460 | 4 | M33 | (1-1/4") | 36 | ||
| 368 | 68.1 | |||||||||||||||
| 400 | 406.4 | 660 | 50 | 585 | 135 | 462 | 11 | 12 | 20 | 535 | 4 | M36 | (1-3/8") | 39 | ||
| 419 | 96.5 | |||||||||||||||
| 500 | 508 | 755 | 52 | 670 | 140 | 562 | 14.2 | 12 | 20 | 615 | 4 | 20 | M39 | (1-1/2") | 42 | |
| 521 | 117 | |||||||||||||||
ROUND BARS :-
| Brinnel Hardness HB | Vickers Hardness HV |
Rockwell Hardness HRC |
Rockwell Hardness HRB |
Tensile Strength ksi |
| 321 | 339 | 34 | 108 | 158 |
| 311 | 328 | 33 | 108 | 154 |
| 302 | 319 | 32 | 107 | 150 |
| 293 | 309 | 31 | 106 | 146 |
| 285 | 301 | 30 | 105 | 142 |
| 277 | 292 | 29 | 104 | 138 |
| 269 | 284 | 28 | 104 | 135 |
| 262 | 276 | 27 | 103 | 131 |
| 255 | 269 | 25 | 102 | 125 |
| 248 | 261 | 24 | 101 | 121 |
| 241 | 253 | 23 | 100 | 119 |
| 235 | 247 | 22 | 99 | 117 |
| 229 | 241 | 21 | 98 | 113 |
| 223 | 234 | - | 97 | 110 |
| 217 | 228 | - | 96 | 107 |
| 212 | 222 | - | 95 | 102 |
| 207 | 218 | - | 95 | 100 |
| 202 | 212 | - | 94 | 98 |
| 197 | 207 | - | 93 | 96 |
| 192 | 202 | - | 92 | 94 |
| 187 | 196 | - | 91 | 90 |
| 183 | 192 | - | 90 | 89 |
| 179 | 188 | - | 89 | 87 |
| 174 | 182 | - | 88 | 84 |
| 170 | 178 | - | 87 | 82 |
| 166 | 175 | - | 86 | 80 |
| 163 | 171 | - | 85 | 78 |
| 159 | 167 | - | 84 | 77 |
| 156 | 163 | - | 83 | 76 |
| 153 | 160 | - | 82 | 75 |
| 149 | 156 | - | 81 | 74 |
| 146 | 153 | - | 80 | 72 |
| 143 | 150 | - | 79 | 71 |
| 140 | 147 | - | 78 | 70 |
| 137 | 143 | - | 76 | 67 |
| 134 | 140 | - | 75 | 66 |
| 131 | 137 | - | 74 | 65 |
| 128 | 134 | - | 73 | 64 |
| 126 | 132 | - | 72 | 63 |
| 124 | 129 | - | 71 | 62 |
| 121 | 127 | - | 70 | 60 |
| 118 | 124 | - | 69 | 59 |
| 116 | 122 | - | 68 | 58 |
| 114 | 119 | - | 67 | 57 |
| 111 | 117 | - | 66 | 56 |
NON FERROUS METALS :-
| Thickness in mm. | Nearest Thickness in in. | Nearest S.W.G. | Wt. of Brass | Wt. of Copper | Wt. of phos. Bronze | Wt. of Zinc | ||||
| Kg. per Sq. ft. | Lb. per Sq. ft. | Kg. per Sq. ft. | Lb. per Sq. ft. | Kg. per Sq. ft. | Lb. per Sq. ft. | Kg. per Sq. ft. | Lb. per Sq. ft. | |||
| 12.50 | 0.500 | 7/0 | 105.250 | 21.900 | 112.913 | 23.125 | 111.750 | 22.890 | 91.500 | 18.730 |
| 11.75 | 0.464 | 6/0 | 98.935 | 20.323 | 106.138 | 21.460 | 105.045 | 21.242 | 86.010 | 17.381 |
| 11.0 | 0.432 | 5/0 | 92.620 | 18.922 | 99.363 | 19.980 | 98.340 | 19.777 | 80.520 | 16.183 |
| 10.25 | 0.400 | 4/0 | 86.305 | 17.520 | 92.588 | 18.500 | 91.635 | 18.312 | 75.030 | 14.984 |
| 9.50 | 0.372 | 3/0 | 79.990 | 16.294 | 85.814 | 17.205 | 84.930 | 17.030 | 69.540 | 13.935 |
| 8.75 | 0.348 | 2/0 | 73.675 | 15.242 | 79.039 | 16.095 | 78.225 | 15.931 | 64.050 | 13.036 |
| 7.50 | 0.324 | 1 | 67.360 | 14.191 | 72.264 | 14.985 | 71.520 | 14.833 | 58.560 | 12.137 |
| 7.00 | 0.300 | 2 | 63.150 | 13.140 | 67.748 | 13.875 | 67.050 | 13.734 | 54.900 | 11.238 |
| 6.50 | 0.276 | 3 | 58.940 | 12.089 | 63.231 | 12.765 | 62.580 | 12.635 | 51.240 | 10.339 |
| 6.00 | 0.252 | 4 | 54.730 | 11.038 | 58.715 | 11.655 | 58.110 | 11.537 | 47.580 | 9.440 |
| 5.50 | 0.232 | 5 | 50.520 | 10.162 | 54.198 | 10.730 | 53.640 | 10.621 | 43.920 | 8.691 |
| 5.00 | 0.212 | 6 | 46.310 | 9.286 | 49.682 | 9.805 | 49.170 | 9.705 | 40.260 | 7.942 |
| 4.50 | 0.192 | 7 | 42.100 | 8.410 | 45.165 | 8.880 | 44.700 | 8.790 | 36.600 | 7.192 |
| 4.00 | 0.176 | 8 | 37.890 | 7.709 | 40.649 | 8.140 | 40.230 | 8.057 | 32.940 | 6.593 |
| 3.60 | 0.160 | 9 | 33.680 | 7.008 | 36.132 | 7.400 | 35.760 | 7.325 | 29.280 | 5.994 |
| 3.20 | 0.144 | 10 | 30.312 | 6.307 | 32.519 | 6.660 | 32.184 | 6.592 | 26.352 | 5.394 |
| 2.80 | 0.128 | 11 | 26.944 | 5.606 | 28.906 | 5.920 | 28.608 | 5.860 | 23.424 | 4.795 |
| 2.40 | 0.116 | 12 | 23.576 | 5.081 | 25.292 | 5.365 | 25.032 | 5.310 | 20.496 | 4.345 |
| 2.20 | 0.104 | 13 | 20.208 | 4.555 | 21.679 | 4.810 | 21.456 | 4.761 | 17.568 | 3.896 |
| 2.00 | 0.092 | 14 | 18.524 | 4.030 | 19.873 | 4.255 | 19.668 | 4.212 | 16.104 | 3.446 |
| 1.80 | 0.080 | 15 | 16.840 | 3.504 | 18.066 | 3.700 | 17.880 | 3.662 | 14.640 | 2.997 |
| 1.60 | 0.072 | 16 | 15.156 | 3.154 | 16.259 | 3.330 | 16.092 | 3.296 | 13.176 | 2.697 |
| 1.40 | 0.064 | 17 | 13.472 | 2.803 | 14.453 | 2.960 | 14.304 | 2.930 | 11.712 | 2.397 |
| 1.20 | 0.056 | 18 | 11.788 | 2.453 | 12.646 | 2.590 | 12.516 | 2.564 | 10.248 | 2.098 |
| 1.00 | 0.048 | 19 | 10.104 | 2.102 | 10.840 | 2.220 | 10.728 | 2.197 | 8.784 | 1.798 |
| 0.90 | 0.040 | 20 | 8.420 | 1.752 | 9.003 | 1.850 | 8.940 | 1.831 | 7.320 | 1.498 |
| 0.80 | 0.036 | 21 | 7.578 | 1.577 | 8.130 | 1.665 | 8.016 | 1.648 | 6.588 | 1.349 |
| 0.70 | 0.032 | 22 | 6.736 | 1.402 | 7.226 | 1.480 | 7.152 | 1.465 | 5.856 | 1.199 |
| 0.60 | 0.028 | 23 | 5.894 | 1.226 | 6.323 | 1.295 | 6.258 | 1.282 | 5.124 | 1.049 |
| 0.55 | 0.024 | 24 | 5.052 | 1.051 | 5.420 | 1.110 | 5.346 | 1.077 | 4.392 | 0.899 |
| 0.50 | 0.022 | 25 | 4.631 | 0.964 | 4.968 | 1.018 | 4.917 | 0.916 | 4.026 | 0.824 |
| 0.45 | 0.020 | 26 | 4.210 | 0.876 | 4.517 | 0.925 | 4.470 | 0.824 | 3.660 | 0.749 |
| 0.40 | 0.018 | 27 | 3.789 | 0.788 | 4.065 | 0.833 | 4.023 | 0.751 | 3.294 | 0.674 |
| 0.36 | 0.0164 | 28 | 3.368 | 0.718 | 3.613 | 0.759 | 3.576 | 0.678 | 2.928 | 0.614 |
| 0.34 | 0.0148 | 29 | 3.031 | 0.648 | 3.252 | 0.685 | 3.218 | 0.623 | 2.635 | 0.554 |
| 0.32 | 0.0136 | 30 | 2.863 | 0.596 | 3.071 | 0.629 | 3.040 | 0.568 | 2.489 | 0.509 |
| 0.30 | 0.0124 | 31 | 2.694 | 0.543 | 2.891 | 0.574 | 2.861 | 0.531 | 2.342 | 0.465 |
| 0.28 | 0.0116 | 32 | 2.526 | 0.508 | 2.710 | 0.537 | 2.682 | 0.494 | 2.196 | 0.435 |
| 0.26 | 0.0108 | 33 | 2.358 | 0.473 | 2.529 | 0.500 | 2.503 | 0.458 | 2.050 | 0.375 |
| 0.24 | 0.0100 | 34 | 2.189 | 0.438 | 2.349 | 0.463 | 2.324 | 0.421 | 1.903 | 0.345 |
| 0.22 | 0.0092 | 35 | 2.021 | 0.403 | 2.168 | 0.426 | 2.146 | 0.385 | 1.757 | 0.315 |
| 0.20 | 0.0076 | 36 | 1.852 | 0.368 | 1.987 | 0.389 | 1.967 | 0.348 | 1.610 | 0.285 |
| 0.18 | 0.0068 | 37 | 1.684 | 0.333 | 1.807 | 0.352 | 1.788 | 0.311 | 1.464 | 0.255 |
| 0.16 | 0.0060 | 38 | 1.516 | 0.298 | 1.626 | 0.315 | 1.609 | 0.275 | 1.318 | 0.225 |
| 0.14 | 0.0052 | 39 | 1.347 | 0.263 | 1.445 | 0.278 | 1.430 | 0.220 | 1.171 | 0.195 |
| 0.12 | 0.0048 | 40 | 1.179 | 0.228 | 1.265 | 0.241 | 1.252 | 0.201 | 1.025 | 0.180 |
| 0.11 | 0.0044 | 41 | 1.010 | 0.210 | 1.084 | 0.222 | 1.073 | 0.183 | 0.878 | 0.165 |
| 0.10 | 0.0040 | 42 | 0.926 | 0.193 | 0.994 | 0.204 | 0.983 | 0.165 | 0.805 | 0.150 |
| 0.09 | 0.0036 | 43 | 0.842 | 0.175 | 0.903 | 0.185 | 0.894 | 0.146 | 0.732 | 0.135 |
| 0.08 | 0.0032 | 44 | 0.758 | 0.158 | 0.813 | 0.167 | 0.805 | 0.128 | 0.659 | 0.120 |
| 0.07 | 0.0028 | 45 | 0.674 | 0.140 | 0.723 | 0.148 | 0.715 | 0.110 | 0.586 | 0.105 |
| 0.06 | 0.0024 | 46 | 0.589 | 0.123 | 0.632 | 0.130 | 0.626 | 0.092 | 0.512 | 0.090 |
| 0.05 | 0.0020 | 47 | 0.505 | 0.105 | 0.542 | 0.111 | 0.596 | 0.073 | 0.439 | 0.075 |
| 0.04 | 0.0016 | 48 | 0.421 | 0.088 | 0.452 | 0.093 | 0.447 | 0.055 | 0.366 | 0.060 |
| 0.03 | 0.0012 | 49 | 0.337 | 0.070 | 0.361 | 0.074 | 0.358 | 0.050 | 0.293 | 0.045 |
| 0.025 | 0.001 | 50 | 0.221 | 0.044 | 0.226 | 0.046 | 0.224 | 0.046 | 0.183 | 0.037 |
WEIGHTS OF BRASS, COPPER, PHOSPHOR BRONZE AND ZINC SHEETS |
Wrought Alloys : Alloy Equivalent (Approx.)
| India | U.S.A | Britain | Canada | Germany | Russia | I.S.O | French | |
| New IS | Old IS | (A.A.) | (B.S) | (DIN) | ND | |||
| 19501 | 1E | 1050(E.C.) | 1E | C 1S | E-Al 99.5 | --- | --- | --- |
| 19500 | 1B | 1050 | 1B | 1S | A-99.5 | --- | A1-99.5 | 1050A |
| 19600 | --- | 1060 | --- | --- | --- | --- | --- | --- |
| 19700 | --- | 1070 | --- | --- | Al-99.7 | --- | Al-99.7 | --- |
| 19800 | 1A | 1080 | 1A | --- | --- | --- | Al-99.8 | --- |
| 19000 | 1C | 1100 | 1C | 2S | Al-99.0 | AD | Al-99.0 | 1200 |
| --- | --- | 2011 | --- | 28S | Al-Cu-Bi-Pb | --- | Al-Cu-6 BI PB | 2011 |
| 24345 | H15 | 2014 | H15 | B26S | Al-Cu-Si | AK | --- | --- |
| 24534 | H14 | 2017 | H14 | 17S/16S | --- | D1 | Al-Cu 4Mg Si | --- |
| --- | --- | 2024 | --- | 24S | Al-CuMg.2 | --- | Al-Cu-4 Mg 1 | 2024 |
| 31000 | N3 | 3003 | N3 | 3S | Al-Mn | A-Mn | Al-Mn 1 | 3003 |
| 43000 | N21 | 4043 | N21 | 33S | Al-Si-5 | AK | Al-Si5 | 4043 |
| 46000 | N2 | 4047 | N2 | 35S | --- | --- | --- | --- |
| 51000A | --- | 5005 | --- | B57S | --- | --- | Al-Mg-1 | --- |
| 52000 | N4 | 5052 | N4 | M57S | Al-Mg.2 | A-Mg | Al-Mg-2.5 | 5051 |
| 53000 | N5 | 5086 | N5 | 54S | --- | A.Mg-3 | Al-Mg-4 | --- |
| 54300 | N8 | 5083 | N8 | D54S | Al-Mg-5 | --- | Al-Mg-4.5 Mn | 5083 |
| 55000 | N6 | 5056 | N6 | A56S | Al-Mg-Si Cu | --- | Al-Mg-5 | 5356 |
| 65032 | H20 | 6061 | H20 | 65S | Al-Mg-Si 0.5 | --- | Al-Mg-1Si Cu | --- |
| 63400 | H9 | 6063 | H9 | 50S | Al-Mg-Si 1 | AV | Al-Mg-Si | --- |
| 64430 | H30 | 6351 | H30 | B51S | --- | --- | Al-Mg-1 Mg | 6081 |
| 64423 | H11 | 6066 | H11 | C62S | --- | --- | --- | --- |
| 62400 | --- | 6005 | --- | C51S | E.Al.Mg.Si 0.5 | --- | --- | --- |
| 63401 | 91E | 6101 | 91E | D50S | --- | --- | --- | --- |
| 64401 | --- | 6201 | --- | --- | Al-Zn-Mg. 1 | --- | --- | --- |
| 74530 | --- | 7039 | --- | D74S | --- | --- | --- | 3004 |
| --- | --- | 7075 | DTD 5124 | 75S | Al-Zn-Mg Cu 1.5 | --- | Al-ZN 6 Mg Cu | 7075 |
| Alloy (ISS) | Equivalent alloy (A.A) | Copper | Magnesium | Silicon | Iron | Managanese Others* (Total) | Remarks | ||||||||
| Old | New | U.S.A | Min. | Max. | Min. | Max. | Min. | Max. | Min. | Max. | Max | Max. | Aluminum 99.0% Min. | ||
| 1 C | 19000 | 1100 | -- | 0.1 | -- | -- | -- | 0.50 | 0.6 | -- | 0.1 | 0.1 | Aluminum 99.5% Min. | ||
| 1 B | 19500 | 1050 | -- | 0.05 | -- | -- | -- | 0.30 | 0.4 | -- | 0.05 | 0.1 | Aluminum 99.5% Min. | ||
| 1 E | 19501 | 1050 (EC) | -- | 0.04 | -- | -- | -- | 0.15 | 0.35 | -- | -- | 0.1 | Aluminum 99.6% Min. | ||
| --- | 19600 | 1060 | -- | 0.05 | -- | -- | -- | 0.25 | 0.35 | -- | 0.03 | 0.1 | Aluminum 99.7% Min. | ||
| --- | 19700 | 1070 | -- | 0.03 | -- | -- | -- | 0.20 | 0.25 | -- | 0.03 | 0.1 | Also lead & bismuth-0.2-0.6 % Each | ||
| --- | -- | 2011 | 5.0 | 6.0 | -- | 0.1 | -- | 0.4 | 0.7 | -- | 0.1 | 0.4 | -- | ||
| H 15 | 24345 | 2014 | 3.8 | 5.0 | 0.2 | 0.8 | 0.5 | 1.2 | 0.7 | 0.3 | 1.2 | 0.5 | -- | ||
| H14 | 24534 | 2017 | 3.5 | 0.1 | 0.4 | 1.2 | 0.2 | 0.7 | 0.7 | 0.4 | 1.2 | 0.5 | -- | ||
| N 3 | 31000 | 3003 | -- | 0.1 | -- | 0.1 | -- | 0.6 | 0.7 | 0.8 | 1.5 | 0.4 | -- | ||
| N 21 | 43000 | 4043 | -- | 0.1 | -- | 0.2 | 4.5 | 6.0 | 0.6 | -- | 0.5 | 0.2 | -- | ||
| N 2 | 46000 | 4047 | -- | 0.1 | -- | 0.2 | 10.0 | 13.0 | 0.6 | -- | 0.5 | 0.2 | Chromium + Mn = 0.5 | ||
| N 4 | 52000 | 5052 | -- | 0.1 | 1.7 | 2.6 | -- | 0.6 | 0.5 | -- | 0.5 | 0.4 | Cr+Mn=0.5 | ||
| N 5 | 53000 | 5086 | -- | 0.1 | 2.8 | 4.0 | -- | 0.6 | 0.5 | -- | 0.5 | 0.4 | Chromium up to 0.25 | ||
| N 6 | 55000 | 5056 | -- | 0.1 | 4.5 | 5.5 | -- | 0.6 | 0.7 | -- | 0.5 | 0.4 | Chromium up to 0.25 | ||
| N 8 | 54300 | 5083 | -- | 0.1 | 4.0 | 4.9 | -- | 0.4 | 0.7 | 0.5 | 1.0 | 0.4 | Chromium (0.15-0.35)Either Mn or Cr. shall be present. | ||
| H 20 | 65032 | 6061 | 0.15 | 0.4 | 0.7 | 1.2 | 0.4 | 0.8 | 0.7 | 0.2 | 0.8 | 0.4 | Chromium up to 0.10 | ||
| H 9 | 63400 | 6063 | -- | 0.1 | 0.4 | 0.9 | 0.3 | 0.7 | 0.6 | -- | 0.3 | 0.4 | -- | ||
| -- | -- | 6066 | 0.7 | 1.2 | 0.8 | 1.4 | 0.9 | 1.8 | 0.7 | 0.6 | 1.1 | 0.4 | -- | ||
| -- | 64423 | -- | 0.5 | 1.0 | 0.5 | 1.3 | 0.7 | 1.3 | 0.8 | -- | 0.03 | -- | -- | ||
| 91 E | 63401 | 6101 | -- | 0.05 | 0.4 | 0.9 | 0.3 | 0.7 | 0.5 | -- | 0.03 | 0.1 | -- | ||
| -- | 64401 | 6201 | -- | 0.1 | 0.6 | 0.9 | 0.5 | 0.9 | 0.5 | -- | 1.0 | 0.1 | Chromium up to 0.25 | ||
| H 30 | 64430 | 6351 | -- | 0.1 | 0.4 | 1.2 | 0.6 | 1.3 | 0.6 | 0.4 | 0.3 | 0.3 | Zinc (4.5%) | ||
| -- | 74530 | 7039 | -- | 0.2 | 1.0 | 1.5 | -- | 0.4 | 0.7 | 0.2 | 0.7 | 0.4 | Zinc (5.1-6.1) & Chromium (0.2-0.28) | ||
| -- | -- | 7075 | 1.20 | 2.0 | 2.1 | 2.9 | -- | 0.5 | 0.7 | -- | 0.3 | 0.2 | |||
OTHERS :-
| ANSI Pipe Schedule SI-Units (metric) ASTM B337 |
| Nominal Pipe Size | Ou tside Dia meter |
Sch *5 | Sch *10 | Sche-dule 20 |
Sche-dule 30 |
Stand. Thickn. | Sch *40 | Extra Strong | Sche dule 60 |
Sche dule 80 |
Sche dule 100 |
Sche dule 120 |
Sche dule 140 |
Sche dule 160 |
Double Extra Strong | |
| mm | in | mm | mm | mm | mm | mm | mm | mm | mm | mm | mm | mm | mm | mm | mm | mm |
| 8 | 1/4 | 13.7 | -- | 1.65 | -- | -- | 2.24 | 2.24 | 3.02 | -- | 3.02 | -- | -- | -- | -- | -- |
| 10 | 3/8 | 17.1 | -- | 1.65 | -- | -- | 2.31 | 2.31 | 3.20 | -- | 3.20 | -- | -- | -- | -- | -- |
| 15 | 1/2 | 21.3 | 1.65 | 2.11 | -- | -- | 2.77 | 2.77 | 3.73 | -- | 3.73 | -- | -- | -- | 4.78 | 7.47 |
| 20 | 3/4 | 26.7 | 1.65 | 2.11 | -- | -- | 2.87 | 2.87 | 3.91 | -- | 3.91 | -- | -- | -- | 5.56 | 7.82 |
| 25 | 1 | 33.4 | 1.65 | 2.77 | -- | -- | 3.38 | 3.38 | 4.55 | -- | 4.55 | -- | -- | -- | 6.35 | 9.09 |
| 32 | 1 1/4 | 42.2 | 1.65 | 2.77 | -- | -- | 3.56 | 3.56 | 4.85 | -- | 4.85 | -- | -- | -- | 6.35 | 9.70 |
| 40 | 1 1/2 | 48.3 | 1.65 | 2.77 | -- | -- | 3.68 | 3.68 | 5.08 | -- | 5.08 | -- | -- | -- | 7.14 | 10.15 |
| 50 | 2 | 60.3 | 1.65 | 2.77 | -- | -- | 3.91 | 3.91 | 5.54 | -- | 5.54 | -- | -- | -- | 8.74 | 11.07 |
| 65 | 2 1/2 | 73.0 | 2.11 | 3.05 | -- | -- | 5.16 | 5.16 | 7.01 | -- | 7.01 | -- | -- | -- | 9.53 | 14.02 |
| 80 | 3 | 88.9 | 2.11 | 3.05 | -- | -- | 5.49 | 5.49 | 7.62 | -- | 7.62 | -- | -- | -- | 11.13 | 15.24 |
| 90 | 3 1/2 | 101.6 | 2.11 | 3.05 | -- | -- | 5.74 | 5.74 | 8.08 | -- | 8.08 | -- | -- | -- | -- | -- |
| 100 | 4 | 114.3 | 2.11 | 3.05 | -- | -- | 6.02 | 6.02 | 8.56 | -- | 8.56 | -- | 11.13 | -- | 13.49 | 17.12 |
| 125 | 5 | 141.3 | 2.77 | 3.40 | -- | -- | 6.55 | 6.55 | 9.35 | -- | 9.53 | -- | 12.70 | -- | 15.88 | 19.05 |
| 150 | 6 | 168.3 | 2.77 | 3.40 | 6.35 | -- | 7.11 | 7.11 | 10.97 | -- | 10.97 | -- | 14.27 | -- | 18.26 | 21.95 |
| 200 | 8 | 219.1 | 2.77 | 3.76 | 6.35 | 7.04 | 8.18 | 8.18 | 12.70 | 10.31 | 12.70 | 15.09 | 18.26 | 20.62 | 23.01 | 22.23 |
| 250 | 10 | 273.1 | 3.40 | 4.19 | 6.35 | 7.80 | 9.27 | 9.27 | 12.70 | 12.70 | 15.09 | 18.26 | 21.44 | 25.40 | 28.58 | 25.40 |
| 300 | 12 | 323.9 | 3.96 | 4.57 | 6.35 | 8.38 | 9.53 | 10.31 | 12.70 | 14.27 | 17.48 | 21.44 | 25.40 | 28.58 | 33.32 | 25.40 |
| 350 | 14 | 355.6 | 3.96 | 6.35 | 7.92 | 9.53 | 9.53 | 11.13 | 12.70 | 15.09 | 19.05 | 23.82 | 27.79 | 31.75 | 35.71 | -- |
| 400 | 16 | 406.4 | 4.19 | 6.35 | 7.92 | 9.53 | 9.53 | 12.70 | 12.70 | 16.66 | 21.44 | 26.19 | 30.96 | 36.53 | 40.49 | -- |
| 450 | 18 | 457 | 4.19 | 6.35 | 7.92 | 11.13 | 9.53 | 14.20 | 12.70 | 19.05 | 23.83 | 29.36 | 34.93 | 39.67 | 45.24 | -- |
| 500 | 20 | 508 | 4.78 | 6.35 | 9.53 | 12.70 | 9.53 | 15.09 | 12.70 | 20.62 | ||||||
| 550 | 22 | 559 | 4.78 | 6.35 | 9.53 | 12.70 | 9.53 | -- | 12.70 | -- | ||||||
| 600 | 24 | 610 | 5.54 | 6.35 | 9.53 | 14.27 | 9.53 | 17.48 | 12.70 | 24.61 | ||||||
| 650 | 26 | 660 | -- | 7.92 | 12.70 | -- | 9.53 | -- | 12.70 | -- | ||||||
| 700 | 28 | 711 | -- | 7.92 | 12.70 | 15.88 | 9.53 | -- | 12.70 | -- | ||||||
| 750 | 30 | 762 | 6.35 | 7.92 | 12.70 | 15.88 | 9.53 | -- | 12.70 | -- | ||||||
| 800 | 32 | 813 | -- | 7.92 | 12.70 | 15.88 | 9.53 | 17.48 | 12.70 | -- | ||||||
| 850 | 34 | 864 | -- | 7.92 | 12.70 | 15.88 | 9.53 | 17.48 | 12.70 | -- | ||||||
| 900 | 36 | 914 | -- | 7.92 | 12.70 | 15.88 | 9.53 | 19.05 | 12.70 | -- | ||||||
| Stainless Steel : Specifications |
ASTM / ASME SA 312 GR. TP 304 , 304L , 304H, 309S ,309H , 310S, 310H , 316 , 316TI , 316H , 316 LN , 317 , 317L , 321 , 321H , 347 , 347 H , 904L . ASTM / ASME SA 358 CL 1 & CL 3 GR . 304 , 304L , 304H, 309S ,309H , 310S, 310H , 316 , 316H , 321 , 321H , 347 . |
CHEMICAL COMPOSITION
| CHEMICAL COMPOSITION ( IN PERCENTAGE ) | ||||||||||
| Grade | C (Max) | Mn (Max) | P (Max) | S (Max) | Si (Max) | Cr | Ni | Mo | Nitrogen (Max) | Cu/ Others |
| 301 | 0.15 | 2.00 | 0.045 | 0.030 | 1.00 | 16.00 - 18.00 | 6.00 - 8.00 | - | 0.10 | - |
| 304 | 0.08 | 2.00 | 0.045 | 0.030 | 0.75 | 18.00 - 20.00 | 8.00- 10.50 | - | 0.10 | - |
| 304L | 0.030 | 2.00 | 0.045 | 0.030 | 0.75 | 18.00 - 20.00 | 8.00- 12.00 | - | 0.10 | - |
| 310S | 0.08 | 2.00 | 0.045 | 0.030 | 1.50 | 24.00- 26.00 | 19.00 - 22.00 | - | - | - |
| 316 | 0.08 | 2.00 | 0.045 | 0.030 | 0.75 | 16.00 - 18.00 | 10.00 - 14.00 | 2.00 - 3.00 | 0.10 | - |
| 316L | 0.030 | 2.00 | 0.045 | 0.030 | 0.75 | 16.00 - 18.00 | 10.00 - 14.00 | 2.00 - 3.00 | 0.10 | - |
| 317 | 0.08 | 2.00 | 0.045 | 0.030 | 0.75 | 18.00 - 20.00 | 11.00 - 14.00 | 3.00 - 4.00 | 0.10 | - |
| 317L | 0.030 | 2.00 | 0.045 | 0.030 | 0.75 | 18.00 - 20.00 | 11.00 - 15.00 | 3.00 - 4.00 | 0.10 | - |
| 321 | 0.08 | 2.00 | 0.045 | 0.030 | 0.75 | 17.00 - 19.00 | 9.00 - 12.00 | - | 0.10 | Ti5 ( C + N ) Min or 0.70 max |
| 347 | 0.08 | 2.00 | 0.045 | 0.030 | 0.75 | 17.00 - 19.00 | 9.00 - 13.00 | - | - | Cb= 10x ( C Min ) or 1.00 Max |
| 409 | 0.08 | 1.00 | 0.040 | 0.010 | 1.00 | 10.50 - 11.75 | 0.50 | - | - | Ti= 6x (C+ N ) Min or 0.70 Max |
| 409M | 0.03 | 0.81.2 | 0.030 | 0.030 | 0.40.75 | 11.00- 12.00 | 1.5 max. | - | - | Ti= 6x (C) Min or 0.70 Max |
| 410S | 0.08 | 1.00 | 0.040 | 0.030 | 1.00 | 11.50- 13.50 | 0.60 | - | - | - |
| 410 | 0.15 | 1.00 | 0.040 | 0.030 | 1.00 | 11.50- 13.50 | 0.75 | - | - | - |
| 420 | 0.35 | 0.50 | 0.035 | 0.015 | 0.50 | 12.00 - 13.00 | 0.20.3 | - | - | - |
| 430 | 0.12 | 1.00 | 0.040 | 0.030 | 1.00 | 16.00 - 18.00 | 0.75 | - | - | - |
| JSL AUS | 0.08 | 7.08.0 | 0.070 | 0.030 | 0.75 | 15.50 - 16.50 | 4.25 - 4.75 | - | - | 0.9 - 1.10 |
| JS- 203 | 0.08 | 9.2510.25 | 0.070 | 0.030 | 0.75 | 14.25 - 15.25 | 2.25 - 2.75 | - | - | 1.60- 2.0 |
| 301M | 0.10 | 4.55.5 | 0.060 | 0.030 | 0.75 | 14.50 - 15.50 | 6.0 - 7.0 | - | - | 1.70- 1.90 |
| * Thickness of 1.27mm & below will have elongation of 20% min. | ||||||||||
MECHANICAL PROPERTIES
| Grade | Tensile Strength Mpa, (Min) |
Yield Strength Mpa, (Min) |
%Age Elongation in 50mm gauge length min |
Hardness (Max) | |
| BHN | Rb | ||||
| 301 | 515 | 205 | 40 | 217 | 95 |
| 304 | 515 | 205 | 40 | 201 | 92 |
| 304L | 485 | 170 | 40 | 201 | 92 |
| 310S | 515 | 205 | 40 | 217 | 95 |
| 316 | 515 | 205 | 40 | 217 | 95 |
| 316L | 485 | 170 | 40 | 217 | 95 |
| 317 | 515 | 205 | 35 | 217 | 95 |
| 317L | 515 | 205 | 40 | 217 | 95 |
| 321 | 515 | 205 | 40 | 217 | 95 |
| 347 | 515 | 205 | 40 | 201 | 92 |
| 409 | 380 | 170 | 20 | 179 | 88 |
| 409M | 430 | 275 | 20 | 187 | 90 |
| 410S | 415 | 205 | 22 | 183 | 89 |
| 410 | 450 | 205 | 20 | 217 | 89 |
| 420 | 700( max ) | - | 15 | 217 | 95 |
| 430 | 450 | 205 | 22 | 183 | 89 |
| JSL AUS | 515 | 205 | 40 | 217 | 95 |
| JS- 203 | 515 | 205 | 40 | 217 | 95 |
| 301M | 515 | 205 | 40 | 217 | 95 |
| Pipes | Tubes |
| ASTM A 335 Grade P - 11 | ASTM 213 Grade T - 11 |
| ASTM A 335 Grade P - 12 | ASTM 213 Grade T - 12 |
| ASTM A 335 Grade P - 22 | ASTM 213 Grade T - 22 |
| ASTM A 335 Grade P - 9 | ASTM 213 Grade T - 5 |
| ASTM A 335 Grade P - 9 A | ASTM 213 Grade T - 9 |
| ASTM A 335 Grade P - 5 | ASTM 213 Grade T - 9 A |
| BS 3604 Grade 620 - 440 | ASTM 213 Grade T - 2 |
| BS 3604 Grade 621 | ASTM 213 Grade T - 1 |
| BS 3604 Grade 622 | ASTM 213 Grade T - 1 B |
| BS 3604 Grade 625 | DIN 17175 15 Mo 3 |
| BS 3604 Grade 629 - 470 | DIN 17175 13 Cr Mo 44 |
| BS 3604 Grade 629 - 590 | DIN 17175 10 Cr Mo 910 |
| BS 3604 Grade 660 | DIN 17175 14 Mo V 63 |
| BS 3604 Grade 762 | DIN 17175 X 20 Cr Mo V 121 |
| BS 3059 Grade 243 | |
| BS 3059 Grade 620 - 460 | |
| BS 3059 Grade 622 - 490 | |
| BS 3059 Grade 629 - 470 | |
| BS 3059 Grade 629 - 590 | |
| BS 3059 Grade 762 |
Triveni Metal & Engineering Co. exports Copper Nickel Alloy 70/30 & 90/10 Fasteners to Saudi Arabia, UAE, Bahrain, China, Peru, Nigeria, Jordan, Muscat, Kuwait, Dubai, Thailand (Bangkok), Venezuela, Germany, Canada, Russia, Australia, Vietnam, Kazaksthan, Jiddah, Libya, Yemen, Algeria, Qatar, Oman, Iran, United States Of America, United Kingdom, Australia, South Africa, Mexico, Turkey, France, European Union, New Zealand, Angola, Congo, Kenya, Lebanon, Spain, Indonesia, Malaysia, Lebanon, Iraq, Iran, Egypt, Madagascar, Sri Lanka, Denmark, Poland, Italy, Brazil, Sudan, Singapore And Netherlands.